ニッタ
ラインメイト樹脂ホース用継手|スウェイジタイプ 34PW用
詳細仕様
21件の型式
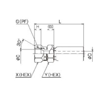
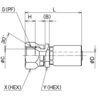
| 型式 | タイプ | 材質 | 呼称サイズ | G | R |
A1 (mm) |
A2 (mm) |
B (mm) |
C (mm) |
最小内径 D (mm) |
H (mm) |
L (mm) |
X (HEX) (mm) |
Y (HEX) (mm) |
概略質量 (g) |
適用ホース | ||||||
|---|---|---|---|---|---|---|---|---|---|---|---|---|---|---|---|---|---|---|---|---|---|---|
| N3130 | 3130 | N3000 | 3000 | 3700 | 3R80 | 34PW | ||||||||||||||||
| SE-G-04-PW | SE(PW継手) | SUS316 | 04 | 1/4 | - | - | - | 8.5 | 9.0 | 4.0 | 8.0 | 63 | 19 | 19 | 80 | - | - | - | - | - | - | ○ |
| SE-G-06-PW | SE(PW継手) | SUS316 | 06 | 3/8 | - | - | - | 9.5 | 12.0 | 6.9 | 9.0 | 71 | 22 | 22 | 110 | - | - | - | - | - | - | ○ |
| SE-G-08-PW | SE(PW継手) | SUS316 | 08 | 1/2 | - | - | - | 9.0 | 15.5 | 10.0 | 12.5 | 80 | 27 | 27 | 170 | - | - | - | - | - | - | ○ |
| SE-G-12-PW | SE(PW継手) | SUS316 | 12 | 3/4 | - | - | - | 10.0 | 21.0 | 16.0 | 13.5 | 86 | 36 | 36 | 270 | - | - | - | - | - | - | ○ |
| SE-G-16-PW | SE(PW継手) | SUS316 | 16 | 1 | - | - | - | 11.0 | 28.0 | 20.9 | 16.5 | 105 | 41 | 41 | 410 | - | - | - | - | - | - | ○ |
| SE-G-04-PWL | SE(PWL継手) | SUS316 | 04 | 1/4 | - | - | - | 6.0 | 9.0 | 5.0 | 8.0 | 42 | 19 | 19 | 60 | - | - | - | - | - | - | ○ |
| SE-G-06-PWL | SE(PWL継手) | SUS316 | 06 | 3/8 | - | - | - | 6.0 | 12.0 | 8.0 | 9.5 | 44 | 22 | 22 | 70 | - | - | - | - | - | - | ○ |
| SE-G-08-PWL | SE(PWL継手) | SUS316 | 08 | 1/2 | - | - | - | 8.0 | 15.5 | 11.0 | 12.5 | 54 | 27 | 27 | 130 | - | - | - | - | - | - | ○ |
| SE-G-12-PWL | SE(PWL継手) | SUS316 | 12 | 3/4 | - | - | - | 10.0 | 21.0 | 16.0 | 13.5 | 64 | 36 | 36 | 230 | - | - | - | - | - | - | ○ |
| SE-G-16-PWL | SE(PWL継手) | SUS316 | 16 | 1 | - | - | - | 10.0 | 28.0 | 22.0 | 16.5 | 67 | 41 | 41 | 310 | - | - | - | - | - | - | ○ |
| 型式 | 商品コード | 単位 |
価格 (円) |
基準納期 | |
|---|---|---|---|---|---|
| 日伝 | メーカー | ||||
| SE-G-04-PW | SE-G-04-PW | P | 11,110 | - | お問合 |
| SE-G-06-PW | SE-G-06-PW | P | 12,675 | - | お問合 |
| SE-G-08-PW | SE-G-08-PW | P | 16,587 | - | お問合 |
| SE-G-12-PW | SE-G-12-PW | P | 32,080 | - | お問合 |
| SE-G-16-PW | SE-G-16-PW | P | 38,339 | - | お問合 |
| SE-G-04-PWL | SE-G-04-PWL | P | 7,981 | - | お問合 |
| SE-G-06-PWL | SE-G-06-PWL | P | 9,545 | - | お問合 |
| SE-G-08-PWL | SE-G-08-PWL | P | 12,206 | - | お問合 |
| SE-G-12-PWL | SE-G-12-PWL | P | 24,099 | - | お問合 |
| SE-G-16-PWL | SE-G-16-PWL | P | 33,645 | - | お問合 |
この製品を見た人はこのような製品も見ています
製品についてのご質問やお困りごとなどお気軽にご相談ください!
Loading...

