TMRSシリーズ
-
TMRSシリーズ
軸タイプに新製品をラインアップ!
・高いゼロ点安定性と回転ゼロ移動の低減を実現。
→25000rpmで正味のゼロ移動は0.056%R.O.
・小型軽量設計により機器組込みの自由度アップ
・許容過負荷500%F.S.
・応答性6kHz(サンプリング周期60ksp)で急峻なトルク変動もキャッチ。
・A/Z機能によりゼロ点補正を実施
■取付方法
・本製品は水平、垂直何れの方向で使用することも可能。
・標準的な使用方法は、本製品の両軸端をフレキシブルカップリングで接続
・TMRSからのトルクと回転パルス信号から、回転速度に対するトルク及び動力特性が測定可能
共通仕様
| 定格容量(R.C) | ±0.5Nm/±1Nm/±2Nm |
|---|---|
| 許容過負荷 | 500%R.C. |
| 検量精度 | ±0.03%R.O. (非直線性、ヒステリシス、繰り返し性含む) |
| 使用電源 | DC24V±15% |
| 消費電流 | 0.2A(max.) |
| 出力レンジ | ±10V、アンプ内蔵、電圧出力 |
| パルス出力 | 1回転4パルス出力 オープンコレクタ出力 定格DC30V 10mA |
| 許容温度範囲 | -20~60℃ |
| 零点の温度影響 | 0.1%R.O./10℃ |
| 出力の温度影響 | 0.1%LOAD/10℃ |
| 最高回転数 | 25000rpm |
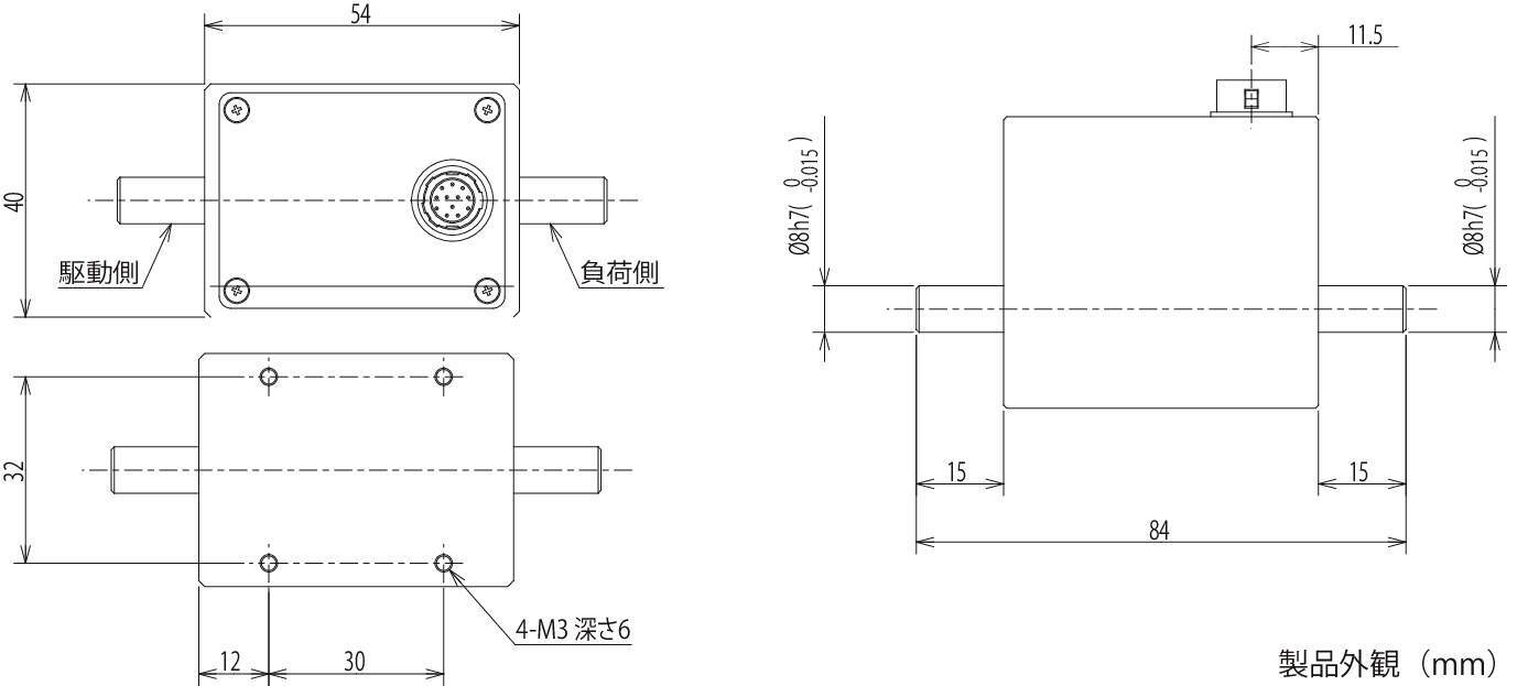
| ケースサイズW×H×D(mm)(突起部除く) | 54×50×40 |
| 質量 | 約240g |

