モノづくりの困ったを解決する総合サイト

Produced by

椿本チエイン

ナイロンチェーンカップリング

CN

  • CN

短い軸間距離で据付可能
・2個のスプロケットをナイロンチェーンで連結しただけの構造ですので、両軸間の距離が短い場合も取り付けられます。
・ナイロンチェーンカップリングで連結することで装置全体のコンパクト化も可能です。

巻き掛けなので着脱容易
・スプロケットの外周にナイロンチェーンを巻き掛け、継手ピンを差し込むだけでカップリングが組み付けられます。
・カップリングの取外し、またはナイロンチェーンの補修交換の際も継手ピンを抜き、巻いてあるナイロンチェーンを外すだけなので作業工数が少なくて済みます。
・装置メンテナンスの際にカップリングで連結している駆動機、被動機の両方を動かすことなく縁を切ることができます。

#カップリング

共通仕様

本体スプロケット材質 炭素鋼
チェーン材質色 ポリアセタール(ホワイト)
継手ピン材質 炭素鋼
角度誤差 0.5°
平行誤差 0.1mm
軸方向変位 CN310~CN317:±0.4mm
CN410~CN419:±0.8mm
CN610~CN619±0.6mm

CADメーカーTOP

詳細仕様

  • 28件中 1-10件

  • 表示件数

28件の型式

型式 タイプ 軸径(mm) 慣性モーメント
×10-3
(kg・m2)
100rpm以下の
許容伝達トルク
(N・m)
寸法(mm) 概略質量
(kg)
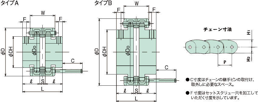
下穴径 最大 D DH L l S W F C H1 H2 P
CN310 A 8.0 12.0 0.025 6.86 39.6 25.0 46.0 20.0 6.0 23.2 6.0 12.3 5.15 4.00 9.525 0.2
CN311 A 8.0 14.0 0.030 8.82 42.7 27.0 46.0 20.0 6.0 23.2 6.0 12.3 5.15 4.00 9.525 0.2
CN312 A 8.0 16.5 0.043 10.8 45.8 31.0 46.0 20.0 6.0 23.2 6.0 12.3 5.15 4.00 9.525 0.3
CN313 A 9.5 18.0 0.055 12.7 48.9 32.0 46.0 20.0 6.0 23.2 6.0 12.3 5.15 4.00 9.525 0.3
CN314 B 9.5 16.5 0.063 14.7 52.0 30.0 46.0 20.0 6.0 23.2 6.0 12.3 5.15 4.00 9.525 0.3
CN315 B 9.5 19.0 0.093 16.7 55.1 35.0 46.0 20.0 6.0 23.2 6.0 12.3 5.15 4.00 9.525 0.4
CN316 B 9.5 20.0 0.12 18.6 58.2 37.0 46.0 20.0 6.0 23.2 6.0 12.3 5.15 4.00 9.525 0.4
CN317 B 9.5 24.0 0.16 21.6 61.3 41.0 46.0 20.0 6.0 23.2 6.0 12.3 5.15 4.00 9.525 0.5
CN410 A 9.5 16.5 0.080 25.4 51.8 32.0 51.2 22.0 7.2 32.0 5.0 22.8 6.34 5.46 12.70 0.3
CN411 A 9.5 20.0 0.12 30.6 55.9 37.0 51.2 22.0 7.2 32.0 5.0 22.8 6.34 5.46 12.70 0.4

型式 商品コード 単位 価格
(円)
基準納期
日伝 メーカー
CN310 CN310 P 3,406 - 在庫品
CN311 CN311 P 3,750 - 在庫品
CN312 CN312 P 4,063 - 在庫品
CN313 CN313 P 4,438 - 在庫品
CN314 CN314 P 4,438 - 在庫品
CN315 CN315 P 4,922 - 在庫品
CN316 CN316 P 5,109 - 在庫品
CN317 CN317 P 5,266 - 在庫品
CN410 CN410 P 5,266 在庫品 在庫品
CN411 CN411 P 5,484 - 在庫品

関連製品

この製品を見た人はこのような製品も見ています

1952年設立で、動力伝導機器・産業機器・制御機器等の機械設備及び機械器具関連製品の販売をしている専門総合商社です。
日本国内で40以上の拠点を持ち、信頼性の高い製品と技術力で、全国のものづくりに携わる方々のあらゆるお困りごとを解決しています。

Loading...