SKY-S型
-
SKY-S型
■衝撃吸収機構付(スムースター)
・ボディ全体で衝撃をかわす。
・振動を吸収するクッション性能をプラスした高機能モデル。
・衝撃・振動に強い!物流品質を守るクッション性能。
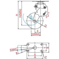
■SKYタイプ
・特殊粘弾性ダンパーが振動を低減! スムーズかつ静かに運搬できます。
・旋回部には高性能ベアリング(深溝玉軸受)を内蔵しており、旋回始動性にも優れています。
・ユーエイダンパー。油もれの心配もなく、ダンパー交換作業が不要。
■自在車
・旋回部と車輪が回転するキャスターです。
■プレート式
・取付座がプレート状となっており、ねじやボルトで取付けるタイプのキャスター。
■ラジアルベアリング
・旋回部にラジアルベアリングを使用したキャスターです。
■ステンレス
・耐食性に優れたステンレス鋼SUS304を使用しています。

