オイルシール 製品一覧
-
-
-
NOK
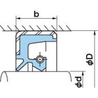
オイルシール SB
・油用でダストがない場合のシールです。
・シール対象物が一方にあり、ダストがない場合のオイルシールです。
-
-
-
-
NOK
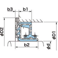
オイルシール SC
・油用でダストがある場合のシールです。
・シール対象物,が一方にあり、ダストがない場合のオイルシールです。
-
-
-
-
NOK
オイルシール TB
・油用でダストがある場合シールです。
・シール対象物が一方にあり、他方に軽微なダストがある場合のオイルシールです。
-
-
-
-
NOK
オイルシール TC
・油用でダストがある場合のシールです。
・シール対象物が一方にあり、他方に軽微なダストがある場合のオイルシールです。
-
-
-
-
NOK
オイルシール VB
・グリース、又はダストのシールです。
・圧力のかかる所には使用不可です。
・グリースやダストのシールに使用します。
・S型オイルシールと組合せて、使用することもできます。
-
-
-
-
NOK
オイルシール VC
・グリース、又はダストのシールです。
・圧力のかかる所には使用不可です。
・グリースやダストのシールに使用します。
・S型オイルシールと組合せて、使用することもできます
-
-
-
-
NOK
オイルシール KB
・グリース用で、ダストシールがある場合のシールです。
・圧力のかかる所には使用不可です。
・シール対象物がグリースで、他方に軽微なダストがある場合に使用します。
-
-
-
-
NOK
オイルシール KC
・グリース用で、ダストシールがある場合のシールです。
・圧力のかかる所には使用不可です。
・シール対象物がグリースで、他方に軽微なダストがある場合に使用します。
-
-
-
-
NOK
オイルシール TCV
・油用で圧力がある場合のシールです。
・リップ部の受圧面積を小さくすると共に、剛性をもたせた耐圧オイルシールで、比較的小径・中圧用に使用します。
-
-
-
-
NOK
オイルシール TCN
・油用で圧力がある場合シールです。
・圧力による変形を小さくするため、保持器を一体とした耐圧用オイルシールで、高圧用に使用します。
-
-
-
-
NOK
オイルシール TB4
・軸が往復運動する場合の油用シールです。
・往復運動と圧力によって、リップの変形が大きくならないように設計されたオイルシールです。
-
-
-
-
NOK
オイルシール TC4
・軸が往復運動する場合の油用シールです。
・往復運動と圧力によって、リップの変形が大きくならないように設計されたオイルシールです。
-
-
-
-
NOK
オイルシール TCJ
・2サイクルエンジン、トルクコンバータ、洗濯機などのシールです。
・リップ先端に、自己潤滑性の優れたNOKレアフロン(四ふっ化エチレン樹脂)膜を焼き付けたオイルシールで、潤滑の悪い条件や、摩擦トルクを小さくしたい場合に適しています。
-
-
-
-
NOK
オイルシール SA1J
・薬液用で圧力がある場合のシールです。
・リップ材料に、耐薬液性に優れたNOKレアフロン(四ふっ化エチレン樹脂)を用いたオイルシールです。
・ばね・金属環にSUS材を用いており、薬液のシールに適しています。
-
-
-
-
NOK
オイルシール VAJ
・かくはん機、ブロア、食品機械などのシールです。
・リップ材料に、耐薬液性に優れたNOKレアフロン(四ふっ化エチレン樹脂)を用いたオイルシールです。
・金属環にSUS材を用いており、紛体や粘着性の強い流体などのシールに適しています。
-
-
-
-
NOK
オイルシール KA3J
・かくはん機、ブロア、食品機械などのシールです。
・リップ材料に、耐薬液性に優れたNOKレアフロン(四ふっ化エチレン樹脂)を用いたオイルシールです。
・金属環にSUS材を用いており、紛体や粘着性の強い流体などのシールに適しています。
-
-
-
-
NOK
オイルシール DB
・2種類の油のシールです。
・シールリップ2個を反対方向に向けて組み合わせたオイルシールです。
-
-
-
-
NOK
オイルシール DC
・2種類の油のシールです。
・シールリップ2個を反対方向に向けて組み合わせたオイルシールです。
-
-
-
-
NOK
オイルシール OC
・油・グリース用で、ハウジングが回転する構造のシールです。
・リップシールを外側に設けたオイルシールで、ハウジングが回転する構造の場合に適用します。
-
-
-
-
NOK
オイルシール QLFY
・軸付シール
・トラクタ、耕運機などの車輪、つめ軸のシールです。
・泥水と油を分離するオイルシールで、ゴム焼付けスリーブとセットで使用します。
・オイルシールとスリーブを一体化しているので、取扱いが容易です。
-
-
-
-
NOK
オイルシール VR
・V型端面シール
・各種機械のグリース、又はダストのシールです。
・ゴム単体シールで、内周側を固定し、リップ側を端面部にしゅう動させて使用します。
-
-
-
-
NOK
オイルシール SSB
・油・水用でダストがない場合の大軸径シールです。
・シール対象物が一方にあり、ダストがない場合のオイルシールで、SB型に比べ高速回転条件に適しています。
-
-
-
-
NOK
オイルシール 大型SB
・油・水用で、ダストがない場合の大軸径シールです。
・シール対象物が一方にあり、ダストがない場合のオイルシールです。
-
-
-
-
NOK
オイルシール 大型TB
・油・水用でダストがある場合シールです。
・シール対象物が一方にあり、他方に軽微なダストがある場合のオイルシールです。
-
-
-
-
NOK
オイルシール MG
・油・水用で、軸端から挿入できない取付箇所のシールです。
・機械の組立上オイルシールを切断しなければ、組付けできない場合に使用されます。
・リップ部は、フック式のジョイントの”ばね”を装着し、また外周部は、幅方向で押えてシールします。
・一箇所切断していますので、密着性能はS型より劣ります。
-
