-
-
MOM
-
MOM-C
-
MOM-K
-
MOM-CK
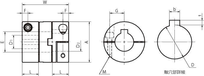
・オルダムタイプのフレキシブルカップリングです。
・スペーサにFCD400を採用。低速・高トルク仕様に最適です。
・ハブとスペーサの間に高性能グリースを塗布し、焼きつき防止をはかっています。
・ハブとスペーサがスリップすることにより、大きな偏心・偏角を許容します。
・スペーサに設けた突起(樹脂ピン)が偏角を無理なく許容します。
・長期メンテナンスフリー。グリスホールに溜まったグリースが運転中に徐々に染み出すことにより長期潤滑性能を維持します。
・高トルク
・高剛性
共通仕様
| 材質(ハブ) | S45C 四三酸化鉄皮膜(黒) |
|---|---|
| 材質(スペーサ) | FCD400 四三酸化鉄皮膜(黒) |
| 材質(ピン) | ポリアセタール |
| 材質(六角穴付き止めねじ) | SCM435 四三酸化鉄皮膜(黒) |
| 材質(六角穴付きボルト) | SCM435 四三酸化鉄皮膜黒) |

