・アクチュエータ用に最適設定した高減衰能ゴムタイプのフレキシブルカップリングです。
・短時間で高精度な位置決めができます。
・両側のハブを防振ゴムで成型した、完全一体構造のカップリングです。
・バックラッシュ0
・高ゲイン対応
・高トルク
・高剛性
・振動吸収
共通仕様
| 材質(ハブ) | A2017 |
|---|---|
| 材質(高減衰能ゴム) | HNBR |
| 材質(六角穴付きボルト・六角穴付き止めねじ) | SCM435、四三酸化鉄皮膜(黒) |
鍋屋バイテック会社
・アクチュエータ用に最適設定した高減衰能ゴムタイプのフレキシブルカップリングです。
・短時間で高精度な位置決めができます。
・両側のハブを防振ゴムで成型した、完全一体構造のカップリングです。
・バックラッシュ0
・高ゲイン対応
・高トルク
・高剛性
・振動吸収
| 材質(ハブ) | A2017 |
|---|---|
| 材質(高減衰能ゴム) | HNBR |
| 材質(六角穴付きボルト・六角穴付き止めねじ) | SCM435、四三酸化鉄皮膜(黒) |
777件の型式
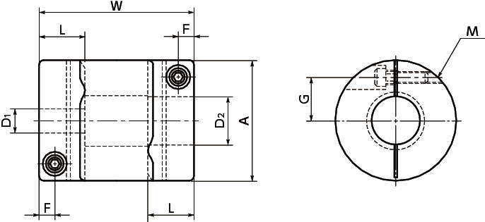
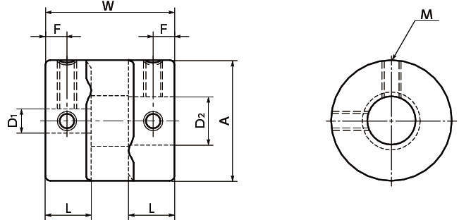
| 型式 | 形状 | タイプ | サイズ | 寸法(mm) |
ねじ締めつけ トルク (N・m) |
標準軸穴径 D1×D2 (mm) |
常用 トルク (N・m) |
スリップ トルク (N・m) |
最高回転数 (min-1) |
慣性 モーメント (kg・cm2) |
静的ねじり ばね定数 (N・m/rad) |
許容 偏心 (mm) |
許容 偏角 (°) |
許容 エンドプレイ (mm) |
質量 (g) |
|||||
|---|---|---|---|---|---|---|---|---|---|---|---|---|---|---|---|---|---|---|---|---|
| A | L | W | F | G | M | |||||||||||||||
| XGT-30CS-11-12 | 標準タイプ | シングルクランプタイプ | XGT-30CS | 30 | 11 | 36 | 4 | 11 | M3 | 1.5 | 11×12 | 6.3 | - | 21000 | 6.0×10^-6 | 220 | 0.2 | 1.5 | ±0.3 | 44 |
| XGT-30CS-12-12 | 標準タイプ | シングルクランプタイプ | XGT-30CS | 30 | 11 | 36 | 4 | 11 | M3 | 1.5 | 12×12 | 6.3 | - | 21000 | 6.0×10^-6 | 220 | 0.2 | 1.5 | ±0.3 | 44 |
| XGT-30CS-12-14 | 標準タイプ | シングルクランプタイプ | XGT-30CS | 30 | 11 | 36 | 4 | 11 | M3 | 1.5 | 12×14 | 6.3 | - | 21000 | 6.0×10^-6 | 220 | 0.2 | 1.5 | ±0.3 | 44 |
| XGT-30CS-12-15 | 標準タイプ | シングルクランプタイプ | XGT-30CS | 30 | 11 | 36 | 4 | 11 | M3 | 1.5 | 12×15 | 6.3 | - | 21000 | 6.0×10^-6 | 220 | 0.2 | 1.5 | ±0.3 | 44 |
| XGT-30CS-14-14 | 標準タイプ | シングルクランプタイプ | XGT-30CS | 30 | 11 | 36 | 4 | 11 | M3 | 1.5 | 14×14 | 6.3 | - | 21000 | 6.0×10^-6 | 220 | 0.2 | 1.5 | ±0.3 | 44 |
| XGT-30CS-14-15 | 標準タイプ | シングルクランプタイプ | XGT-30CS | 30 | 11 | 36 | 4 | 11 | M3 | 1.5 | 14×15 | 6.3 | - | 21000 | 6.0×10^-6 | 220 | 0.2 | 1.5 | ±0.3 | 44 |
| XGT-30CS-15-15 | 標準タイプ | シングルクランプタイプ | XGT-30CS | 30 | 11 | 36 | 4 | 11 | M3 | 1.5 | 15×15 | 6.3 | - | 21000 | 6.0×10^-6 | 220 | 0.2 | 1.5 | ±0.3 | 44 |
| XGT-34CS-8-8 | 標準タイプ | シングルクランプタイプ | XGT-34CS | 34 | 12 | 38 | 4 | 12.25 | M3 | 1.5 | 8×8 | 8 | - | 18000 | 1.0×10^-5 | 390 | 0.2 | 1.5 | ±0.3 | 61 |
| XGT-34CS-8-10 | 標準タイプ | シングルクランプタイプ | XGT-34CS | 34 | 12 | 38 | 4 | 12.25 | M3 | 1.5 | 8×10 | 8 | - | 18000 | 1.0×10^-5 | 390 | 0.2 | 1.5 | ±0.3 | 61 |
| XGT-34CS-8-11 | 標準タイプ | シングルクランプタイプ | XGT-34CS | 34 | 12 | 38 | 4 | 12.25 | M3 | 1.5 | 8×11 | 8 | - | 18000 | 1.0×10^-5 | 390 | 0.2 | 1.5 | ±0.3 | 61 |
・スリップトルクは、軸のスリップトルクが、常用トルクよりも小さい場合のみ記載しています。
| 型式 | 商品コード | 単位 |
価格 (円) |
基準納期 | |
|---|---|---|---|---|---|
| 日伝 | メーカー | ||||
| XGT-30CS-11-12 | XGT-30CS-11-12 | P | 4,110 | - | 在庫品 |
| XGT-30CS-12-12 | XGT-30CS-12-12 | P | 4,110 | - | 在庫品 |
| XGT-30CS-12-14 | XGT-30CS-12-14 | P | 4,110 | - | 在庫品 |
| XGT-30CS-12-15 | XGT-30CS-12-15 | P | 4,110 | - | 在庫品 |
| XGT-30CS-14-14 | XGT-30CS-14-14 | P | 4,110 | - | 在庫品 |
| XGT-30CS-14-15 | XGT-30CS-14-15 | P | 4,110 | - | 在庫品 |
| XGT-30CS-15-15 | XGT-30CS-15-15 | P | 4,110 | - | 在庫品 |
| XGT-34CS-8-8 | XGT-34CS-8-8 | P | 4,340 | - | 在庫品 |
| XGT-34CS-8-10 | XGT-34CS-8-10 | P | 4,340 | - | 在庫品 |
| XGT-34CS-8-11 | XGT-34CS-8-11 | P | 4,340 | - | 在庫品 |
製品についてのご質問やお困りごとなどお気軽にご相談ください!