XSTS・XWSS
-
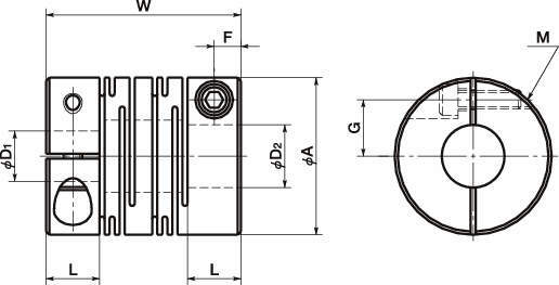
XSTS・XWSS
クリーン・真空・耐熱対応カップリング
・円筒材にスリットを入れた完全一体構造のオールステンレス製金属ばねカップリングです。
・クリーン洗浄・クリーン梱包済み。FPD製造装置・半導体製造装置など耐薬品性が必要な環境で使用します。
・高フレキシブルタイプXSTSとショートタイプXWSSを標準化。
・XSTSはスリットで形成された板ばねが、偏心・偏角・エンドプレイを許容します。
・バックラッシュ0
・耐薬品
・クリーン
共通仕様
| 材質(本体) | SUS316L、ショットブラスト |
|---|---|
| 材質(六角穴付きボルト) | SUS316L HiMo |

