MSXP
-
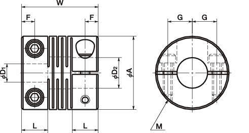
MSXP
クリーン・真空・耐熱対応カップリング
・円筒材にスリットを入れた完全一体構造の樹脂ばねカップリングです。
・FPD製造装置など、耐熱・耐薬品性が必要な環境やクリーンルームで使用できます。
・物理的・化学的特性にすぐれたPEEKを採用。アウトガスが極微量です。
・バックラッシュ0
・電気絶縁性
・耐薬品
・クリーン
共通仕様
| 材質(本体) | PEEK(ピーク:ポリエーテルエーテルケトン) |
|---|---|
| 材質(六角穴付きボルト) | PEEK(ピーク:ポリエーテルエーテルケトン) |
-
寸法図
-
動画
-
カタログ・チラシ
-
特集
-
CAD
-
【クリーン仕様特集】信頼されるクリーンな製造現場づくりをご提案
製造業においてクリーンな環境を整えることは、異物混入を防ぎ、製品の不良率を低減する効果があります。
これにより、品質が安定し、無駄なコストの削減や作業効率の向上が期待できます。さらに、安全性の確保や取引先からの信頼向上にもつながるため、クリーンな環境づくりは重要な取り組みといえます。製品品質の向上や不良率の低下に繋がるクリーンな環境を整えよう!
クリーン化の四原則とは・・・
ゴミ・異物を嫌うものづくりの現場では、作業環境の清浄度が極めて重要であり、それを維持するために設けられた4つの基本原則が「クリーン化の四原則」です。
❶ 持ち込まない
・作業者はエアシャワー等の徹底をする ・材料や機器等は清掃後に持ち込む
・室圧の制御をする ・リークなし 他
❷ 発生させない
・発塵するものは使わない ・不用品は持ち込まない
・防塵着の着用する ・無駄な動きを減らす 他
❸ 堆積させない
・配管等がむき出しの状態を減らす ・基準にそった清掃を実行する
・清掃しやすい配置にする ・帯電させず除電する 他
❹ 排除する
・局所排気設備を活用する ・換気回数を増やす
・清掃ルールを定め定期的に清掃する 他
今回は、クリーン化の四原則の観点から
発生させない・堆積させない・排除するに貢献する製品をご提案いたします。【発生させない】発塵するものは使わない
\摩耗粉の飛散を抑制し、 歩留まり改善に貢献/ ………………………………………………
フラットベヤ ZP仕様/椿本チエイン
・サポートメンバによりケーブル・チューブが自立可能
・清浄度ISOクラス2
・つばき独自開発の開閉チューブを採用
・ケーブル・チューブの収納や交換が可能
・出し入れが容易
・黒色と白色をラインアップ
\半導体など、高い清浄度が要求される環境下での使用に最適/ ………………………………
クリーン精密位置決めテーブル TC-EB/日本トムソン
・軽量・低断面・コンパクトな位置決めテーブル
・清浄度クラス3に対応
・高精度な位置決めを実現
・優れた耐食性
・長期メンテナンスフリー
\溝のない4面フラットのため、クリーンで高い組立精度を実現/ ………………………………
ボックスフレーム BF/SUS
・高さ57mmの薄型・軽量モデルで使いやすい
・レベリング方式:TSPは大気中で解放/TCPは集中排気仕様
・コストパフォーマンスに優れています
・美麗な外観
\搭載盤にSUS材を使用しクリーンルームで対応可能/ …………………………………………
卓上形除振台 TSP・TCP シリーズ/倉敷化工
・クリーン度と軽さに優れた製品
・位置決めやけがき無しで組立てが可能
・組立工数の削減と高い組立精度を実現
・埃が溜まりにくく美観にも優れています
・ □30mm/40mm/50mmの3シリーズ展開
\FPD製造装置など、耐熱・耐薬品性が必要な環境やクリーンルームで使用可能 / ……………
クリーン・真空・耐熱対応カップリング MSXP-C/鍋屋バイテック会社
・円筒材にスリットを入れた完全一体構造の樹脂ばねカップリング
・クリーン洗浄・クリーン梱包済みの状態でお届け可能
・物理的・化学的特性にすぐれたPEEKを採用
・アウトガスが極微量
・スリットで形成された板ばねが、偏心・偏角・エンドプレイを許容します
【堆積させない】帯電させずに除電する
\広範囲で精度良く除電。片側エア配管でエア供給が可能/ ………………………………………
イオナイザ IZS40・41・42 バータイプ/SMC
・3種類のエミッタカートリッジ:
高速除電カートリッジ、 省エネ除電カートリッジ、省エネ高効率カートリッジ
・バーの長さの選択が可能
・エア供給口の選択が可能
・エアなしでも除電可能
【動画】
この動画では、SMCバータイプイオナイザIZS41シリーズの立上げの概要をご紹介します。
\ワークエリアやガウニングルームの広範囲除電に最適/ …………………………………………
ルームイオナイザーシステム モデル5515/シムコジャパン
・風速ゼロの環境でも超広範囲にイオンを供給
・異物付着の抑制や工程内への持込異物の抑制に効果を発揮
・ワールドワイドにて無類の納入実績に裏付けされる高信頼性とローカルサポート
【動画】
ワールドワイドで非常に多くの実績を有する風を利用しなくとも効果抜群のルームイオナイザーのご紹介です。
【排除する】局所排気設備を活用する
\コンパクトな設計ながら強力な集塵性能!クリーンな環境づくりに最適/ ……………………
小型高圧型集塵機(クリーン用)CBAシリーズ/チコーエアーテック
・場所を取らないコンパクト設計
・高圧ブロアで小径配管でも吸引力が落ちません
・フィルタ目詰まり信号出力、遠隔ON/OFFに対応
・1次フィルタはバッグ式。周囲を汚さずにフィルタ交換可能
\フィルタ目詰まりを起こしやすい使用状況下においても、長時間吸引力が低下しません/ ……………………
レーザークリーン集塵機 CBA-750・1000・1500/チコーエアーテック
・フィルタ目詰まり信号出力、遠隔ON/OFFに対応
・添加剤を用いたカセット式フィルタを採用
・粘着性の強いヒュームを吸っても吸引力を保持
・簡単にフィルタ交換可能
【動画】
集塵例をご紹介します
半導体業界向けのイチオシ製品
\冷媒にCO2を使用したフロンレス対応/ …………………………………………………………
サーモチラー INR-495-042・INR-495-043/SMC
・フロンレス(CO2冷媒)に対応
・GWPは1(自然冷媒)。冷媒規制:EUはGWP150以下、米国はGWP700以下、カリフォルニア州はGWP750以下クリア
・使用冷媒が無毒で不燃性のため空輸が可能
・スリム設計により効率的なチラー配置可能
\脱気することで酸化防止、製品の品質向上/ ……………………………………………………
真空脱気シーラー V-610・V-460シリーズ/富士インパルス
・シール駆動機構に電磁石を活用したソレノイド駆動を採用
・「外部エア配管」の設備費用が不要
・エア駆動方式では定期交換が必要となるドライフィルターを装備しないのでフィルターのメンテナンス作業から解放され、日々のお手入れの負荷を軽減
・真空源の選択が可能
\エアシリンダ駆動、ガゼット袋などの包装で威力を発揮/ ……………………………………………………
真空ガス充填シーラー VA-610G・VA-460Gシリーズ/富士インパルス
・エアシリンダー駆動を採用して強いシール圧力を発揮
・厚手アルミガゼット袋の包装で威力を発揮
・真空源の選択が可能
「標準タイプ」 「高速度脱気タイプ」の2タイプをご用意













