モノづくりの困ったを解決する総合サイト

Produced by

鍋屋バイテック会社

ネジコム(薄板固定用)|座金組込み十字穴付きなべ小ねじ SNPI3S-SUC

SNPI3S-SUC

  • SNPI3S-SUC

・ステンレス製の薄板固定用座金組込み十字穴付きなべ小ねじ。
・ねじに旧JISの平座金とばね座金が組み込まれており、脱落の心配がありません。(座金の略称:P=3)
・通常の座金組込みねじに比べ、不完全ねじ部を短くすることで薄板の締結を可能にしています。締結可能な板厚は通常の座金組込みねじの半分以下です。
・機器・装置の省スペース化や上部スペースが限られた箇所に。
・寸法・材質・頭部形状など、特殊仕様の薄板固定用ボルトも製作いたします。お問い合わせください。

<用途>
・外装パネル/半導体製造装置/機器・装置構造体/海洋機器/一般産業機械/機器・装置の省スペース化

#ボルト・ナット・ワッシャー

共通仕様

ねじ本体 SUSXM7(SUS304相当)
ねじ本体強度区分 A2-50
平座金 SUS304
ばね座金 SUS304

CADメーカーTOP

詳細仕様

  • 21件中 1-10件

  • 表示件数

21件の型式

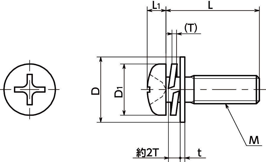
型式 M(並目) L
(mm)
D1
(mm)
D
(mm)
L1
(mm)
t
(mm)
T(約)
(mm)
十字穴の
番号
締結可能
最小板厚
(mm)
1袋
入り数
質量
(g)
ねじの呼び ピッチ
SNPI3S-M3-6-SUC M3 0.5 6 5.5 8 2 0.5 0.7 2 0.9 50 0.7
SNPI3S-M3-8-SUC M3 0.5 8 5.5 8 2 0.5 0.7 2 0.9 50 0.79
SNPI3S-M3-10-SUC M3 0.5 10 5.5 8 2 0.5 0.7 2 0.9 50 0.87
SNPI3S-M3-12-SUC M3 0.5 12 5.5 8 2 0.5 0.7 2 0.9 50 0.96
SNPI3S-M3-16-SUC M3 0.5 16 5.5 8 2 0.5 0.7 2 0.9 50 1.1
SNPI3S-M4-6-SUC M4 0.7 6 7 10 2.6 0.8 1 2 1.3 50 1.4
SNPI3S-M4-8-SUC M4 0.7 8 7 10 2.6 0.8 1 2 1.3 50 1.6
SNPI3S-M4-10-SUC M4 0.7 10 7 10 2.6 0.8 1 2 1.3 50 1.8
SNPI3S-M4-12-SUC M4 0.7 12 7 10 2.6 0.8 1 2 1.3 50 1.9
SNPI3S-M4-16-SUC M4 0.7 16 7 10 2.6 0.8 1 2 1.3 50 2.2

この製品を見た人はこのような製品も見ています

1952年設立で、動力伝導機器・産業機器・制御機器等の機械設備及び機械器具関連製品の販売をしている専門総合商社です。
日本国内で40以上の拠点を持ち、信頼性の高い製品と技術力で、全国のものづくりに携わる方々のあらゆるお困りごとを解決しています。

Loading...