SVSHS-SD
-
SVSHS-SD
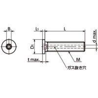
・ガス抜き穴つきの極低頭小頭ボルト。
・ガス抜き穴が機器・装置のねじ穴の底に溜まったガスを排出しやすくし、真空装置の真空引きをサポートします。
・頭部高さはすべて1.5mm以下。機器・装置のコンパクト化や上部スペースが限られた用途に。
・頭部径が小さいため、通常の六角穴付き極低頭ボルトよりザグリ穴径を小さくできます。
・クリーン洗浄・クリーン梱包済み。
<用途>
・真空装置/真空容器/FPD製造装置/半導体製造装置/電子顕微鏡
共通仕様
| 本体 | SUSXM7(SUS304相当) |
|---|---|
| 強度区分 | A2-50 |

