AF
-
AF
共通仕様
| 材質 | 機械構造用炭素鋼 |
|---|
椿本チエイン
52件の型式
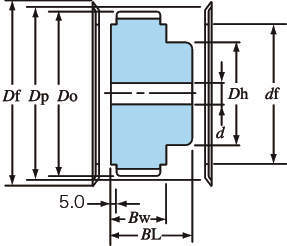
| 型式 | 歯形 |
プーリ 形状 |
材質 | 歯数 |
使用 ベルト幅 (mm) |
ピッチ円直径 Dp (mm) |
歯先円直径 Do (mm) |
ハブ直径 Dh (mm) |
Bw (mm) |
BL (mm) |
使用軸の直径d(mm) | 標準フランジ | フランジ(mm) | |||
|---|---|---|---|---|---|---|---|---|---|---|---|---|---|---|---|---|
| 最小 | 最大 | 厚さt | 外径Df | 内径df | ||||||||||||
| PT28P14M40AF | P14M | AF | 機械構造用炭素鋼 | 28 | 40 | 124.78 | 121.98 | - | 53 | - | 20 | 56 | - | - | 136 | 102 |
| PT30P14M40AF | P14M | AF | 機械構造用炭素鋼 | 30 | 40 | 133.69 | 130.90 | - | 53 | - | 20 | 62 | - | - | 145 | 111 |
| PT32P14M40AF | P14M | AF | 機械構造用炭素鋼 | 32 | 40 | 142.60 | 139.81 | - | 53 | - | 20 | 62 | - | - | 14 | 120 |
| PT34P14M40AF | P14M | AF | 機械構造用炭素鋼 | 34 | 40 | 151.52 | 148.72 | - | 53 | - | 20 | 70 | - | - | 163 | 129 |
| PT36P14M40AF | P14M | AF | 機械構造用炭素鋼 | 36 | 40 | 160.43 | 157.63 | - | 53 | - | 20 | 70 | - | - | 171 | 137 |
| PT38P14M40AF | P14M | AF | 機械構造用炭素鋼 | 38 | 40 | 169.34 | 166.55 | - | 53 | - | 20 | 75 | - | - | 181 | 146 |
| PT40P14M40AF | P14M | AF | 機械構造用炭素鋼 | 40 | 40 | 178.25 | 175.46 | - | 53 | - | 20 | 80 | - | - | 190 | 155 |
| PT42P14M40AF | P14M | AF | 機械構造用炭素鋼 | 42 | 40 | 187.17 | 184.37 | - | 53 | - | 20 | 80 | - | - | 198 | 164 |
| PT44P14M40AF | P14M | AF | 機械構造用炭素鋼 | 44 | 40 | 196.08 | 193.28 | - | 53 | - | 20 | 85 | - | - | 207 | 173 |
| PT48P14M40AF | P14M | AF | 機械構造用炭素鋼 | 48 | 40 | 213.90 | 211.11 | - | 53 | - | 20 | 90 | - | - | 225 | 191 |
| 型式 | 商品コード | 単位 |
価格 (円) |
基準納期 | |
|---|---|---|---|---|---|
| 日伝 | メーカー | ||||
| PT28P14M40AF | PT28P14M40AF | P | 19,600 | - | 在庫品 |
| PT30P14M40AF | PT30P14M40AF | P | 21,000 | - | 在庫品 |
| PT32P14M40AF | PT32P14M40AF | P | 22,700 | - | 在庫品 |
| PT34P14M40AF | PT34P14M40AF | P | 23,800 | - | 在庫品 |
| PT36P14M40AF | PT36P14M40AF | P | 25,300 | - | 在庫品 |
| PT38P14M40AF | PT38P14M40AF | P | 27,600 | - | 在庫品 |
| PT40P14M40AF | PT40P14M40AF | P | 29,100 | - | 在庫品 |
| PT42P14M40AF | PT42P14M40AF | P | 31,800 | - | 在庫品 |
| PT44P14M40AF | PT44P14M40AF | P | 34,700 | - | 在庫品 |
| PT48P14M40AF | PT48P14M40AF | P | 40,900 | - | 在庫品 |
製品についてのご質問やお困りごとなどお気軽にご相談ください!