モノづくりの困ったを解決する総合サイト

Produced by

ワンタッチ管継手付スピードコントローラ(プッシュロック式) ユニバーサルタイプ AS-F-A

AS-F-A(ユニバーサル)

  • AS-F-A(ユニバーサル)

  • ガスケット(M・UNF)

  • ガスケット(Uni)

  • シール剤(R・NPTねじ)

  • パッキン(G)

様々な作業工程の削減に貢献

■簡単プッシュロック式
・工具レスで簡単ワンプッシュロック。
・スパナを使用する従来の方法に比べ作業効率が飛躍的にアップしました。
・ニードルロックの操作性向上。

■ハンドルの大型化
・ハンドルが大きく微調整がやりやすい。

■チューブ取付け方向が360°自由自在
・ユニバーサルタイプは配管方向を360°自由自在に設定できます。

■チューブの着脱性向上
・挿入力 30%(8N)低減。
・離脱力 20%(5N)低減。
・チューブ保持力は、現行品と同レベルを確保
・従来品と比べてチューブの配管位置が高くなるため着脱が容易。

■流量の再現性が向上
・面当てストッパ(回転ストッパ)の採用により全閉時の(流量0)のハンドル位置が常に一定。
・ハンドル回転数による流量のバラツキがほとんどありません。

■軽量

■パッキンシール方式をラインナップ
・施工性の向上。手締後の工具増締め量低減。
・シール剤カス・ハミ出し防止。従来シール剤タイプでは施工時にシール剤カスが出たり、ねじ部よりはみ出すことがあり、エアブローなどで取り除くひつようがありましたが、パッキンシールではカスが発生しません。
・再配管が可能。座面での弾性体シールのため繰り返し6~10回程度の再配管が可能です。
・高さ寸法の一定化。

■Uniねじタイプをラインナップ
・ねじ込み作業時間を1/3にする新しい管用ねじ。
・各種規格用めねじ(Rc・G・NPT・NPFT)に適用する独自ねじの採用。
・ガスケットシール方式により、ねじ込み時間を大幅に削減。

#スピードコントローラ

詳細仕様

  • 562件中 421-430件

  • 表示件数

562件の型式

型式 タイプ 形状 ボディ
サイズ
制御方式 適用チューブ 管接続部 C値:音速コンダクタンス(dm3/(s・bar)) b値:臨界圧力比 最高
使用圧力
最低
使用圧力
保証
耐圧力
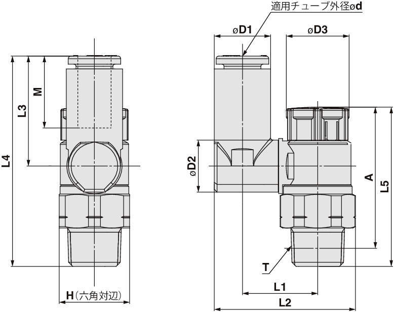
H
(mm)
D1
(mm)
D2
(mm)
D3
(mm)
L1
(mm)
L2
(mm)
L3
(mm)
L4
(mm)
L5
(mm)
A
(mm)
M
(mm)
質量
(g)
オーダーメイド仕様
タイプ 外径 φd シール方式 ねじタイプ 接続口径 T 自由流れ 制御流れ 自由流れ 制御流れ Unlock lock Unlock lock
AS2311F-02-09A AS-F-A ユニバーサル 2 メータイン インチ φ5/16" シール剤なし R R1/4 1.5 1.3 0.4 0.3 1MPa 0.1MPa 1.5MPa 17 13.2 12.9 13 19 34.9 23.5 46 36.6 35 31.1 29.5 14.2 22 -
AS2311F-02-11A AS-F-A ユニバーサル 2 メータイン インチ φ3/8" シール剤なし R R1/4 1.5 1.3 0.4 0.3 1MPa 0.1MPa 1.5MPa 17 15.9 12.9 13 20.9 38.1 24.7 47.3 36.6 35 31.1 29.5 15.6 23 -
AS2311F-N01-23A AS-F-A ユニバーサル 2 メータイン ミリ φ3.2mm シール剤なし NPT NPT1/8 0.4 0.4 0.2 0.2 1MPa 0.1MPa 1.5MPa 12.7 7.2 9.6 12 13.3 24 17.5 36 30.6 29.2 27.5 26.1 13.3 10 -
AS2311F-N01-04A AS-F-A ユニバーサル 2 メータイン ミリ φ4mm シール剤なし NPT NPT1/8 0.6 0.7 0.2 0.2 1MPa 0.1MPa 1.5MPa 12.7 8.2 9.6 12 13.9 25.1 17.5 36 30.6 29.2 27.5 26.1 13.3 10 -
AS2311F-N01-06A AS-F-A ユニバーサル 2 メータイン ミリ φ6mm シール剤なし NPT NPT1/8 0.6 0.8 0.3 0.3 1MPa 0.1MPa 1.5MPa 12.7 10.4 9.6 12 13.9 26.2 20.4 38.8 30.6 29.2 27.5 26.1 13.3 10 -
AS2311F-N01-08A AS-F-A ユニバーサル 2 メータイン ミリ φ8mm シール剤なし NPT NPT1/8 0.6 0.8 0.3 0.3 1MPa 0.1MPa 1.5MPa 12.7 13.2 10.2 12 16.4 30.1 21.5 40 30.6 29.2 27.5 26.1 14.2 12 -
AS2311F-N01-01A AS-F-A ユニバーサル 2 メータイン インチ φ1/8" シール剤なし NPT NPT1/8 0.4 0.4 0.2 0.2 1MPa 0.1MPa 1.5MPa 12.7 7.2 9.6 12 13.3 24 17.5 36 30.6 29.2 27.5 26.1 13.3 10 -
AS2311F-N01-03A AS-F-A ユニバーサル 2 メータイン インチ φ5/32" シール剤なし NPT NPT1/8 0.6 0.7 0.2 0.2 1MPa 0.1MPa 1.5MPa 12.7 8.2 9.6 12 13.9 25.1 17.5 36 30.6 29.2 27.5 26.1 13.3 10 -
AS2311F-N01-07A AS-F-A ユニバーサル 2 メータイン インチ φ1/4" シール剤なし NPT NPT1/8 0.6 0.8 0.3 0.3 1MPa 0.1MPa 1.5MPa 12.7 11.2 10.2 12 16.4 29.1 20.2 38.7 30.6 29.2 27.5 26.1 13.3 10 -
AS2311F-N01-09A AS-F-A ユニバーサル 2 メータイン インチ φ5/16" シール剤なし NPT NPT1/8 0.6 0.8 0.3 0.3 1MPa 0.1MPa 1.5MPa 12.7 13.2 10.2 12 16.4 30.1 21.5 40 30.6 29.2 27.5 26.1 14.2 12 -

型式 商品コード 単位 価格
(円)
基準納期
日伝 メーカー
AS2311F-02-09A AS2311F-02-09A P 2,350 - -
AS2311F-02-11A AS2311F-02-11A P 2,350 - -
AS2311F-N01-23A AS2311F-N01-23A P 2,125 - -
AS2311F-N01-04A AS2311F-N01-04A P 2,075 - -
AS2311F-N01-06A AS2311F-N01-06A P 2,075 - -
AS2311F-N01-08A AS2311F-N01-08A P 2,075 - -
AS2311F-N01-01A AS2311F-N01-01A P 2,125 - -
AS2311F-N01-03A AS2311F-N01-03A P 2,075 - -
AS2311F-N01-07A AS2311F-N01-07A P 2,075 - -
AS2311F-N01-09A AS2311F-N01-09A P 2,075 - -

この製品を見た人はこのような製品も見ています

1952年設立で、動力伝導機器・産業機器・制御機器等の機械設備及び機械器具関連製品の販売をしている専門総合商社です。
日本国内で40以上の拠点を持ち、信頼性の高い製品と技術力で、全国のものづくりに携わる方々のあらゆるお困りごとを解決しています。

Loading...