モノづくりの困ったを解決する総合サイト

Produced by

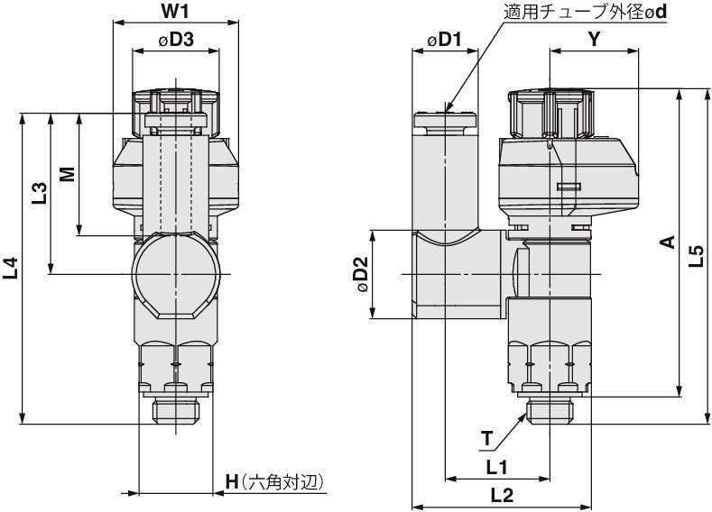
目盛付・ワンタッチ管継手付スピードコントローラ(プッシュロック式) ユニバーサルタイプ AS-FS

AS-FS(ユニバーサル)

  • AS-FS(ユニバーサル)

  • ガスケット(M・UNF)

  • シール剤(R・NPT)

  • パッキン(G)

■流量の数値管理で「作業工数削減」「設定ミス低減」に貢献!

■流量の数値管理が可能な目盛窓
・広い視野角を実現現。

■大型化されたプッシュロック式ハンドル
・ハンドルが大きく回転しやすい、微調整がやりやすい。
・ニードルロックの作業性貢献。
・90°刻みの目印で操作性アップ。

■チューブ取付け方向が360°自由自在
・ユニバーサルタイプは配管方向を360°自由自在に設定できます。

■流量の再現性が向上
・面当てストッパ(回転ストッパ)の採用により全閉 時(流量0)のハンドル 位置が常に一定。
・ハンドル回転数による流量のバラツキがほとんどありません。

■チューブの抜き差し性向上
・チューブの配管位置が高くなるため着脱が容易

■パッキンシール方式をラインナップ

#スピードコントローラ

詳細仕様

  • 415件中 21-30件

  • 表示件数

415件の型式

型式 タイプ 形状 ボディ
サイズ
制御方式 目盛
方向
適用チューブ 管接続部 C値:音速コンダクタンス(dm3/(s・bar)) b値:臨界圧力比 最高
使用圧力
最低
使用圧力
保証
耐圧力
H
(mm)
D1
(mm)
D2
(mm)
D3
(mm)
L1
(mm)
L2
(mm)
L3
(mm)
L4
(mm)
L5
(mm)
A
(mm)
M
(mm)
W1
(mm)
Y
(mm)
質量
(g)
オーダーメイド仕様
タイプ 外径 φd シール方式 ねじタイプ 接続口径 T 自由流れ 制御流れ 自由流れ 制御流れ Unlock lock Unlock lock
AS1301FS1-U10/32-23 AS-FS ユニバーサル 1 メータアウト 180° ミリ φ3.2mm ガスケットシール UNF 10/32UNF 0.3 0.3 0.4 0.2 1MPa 0.1MPa 1.5MPa 9 7.2 9.6 9.4 11.6 19.4 17.5 33.8 39 36.5 35 33.5 13.3 13.6 9.6 7 -
AS1301FS1-U10/32E-23 AS-FS ユニバーサル 1 メータアウト 180° ミリ φ3.2mm ガスケットシール UNF 10/32UNF 0.3 0.3 0.4 0.2 1MPa 0.1MPa 1.5MPa 8 7.2 9.6 9.4 11.6 19.4 17.5 33.8 39 36.5 35 33.5 13.3 13.6 9.6 7 -
AS1301FS1-U10/32-04 AS-FS ユニバーサル 1 メータアウト 180° ミリ φ4mm ガスケットシール UNF 10/32UNF 0.3 0.3 0.4 0.2 1MPa 0.1MPa 1.5MPa 9 8.2 9.6 9.4 11.5 19.8 17.5 33.8 39 36.5 35 33.5 13.3 13.6 9.6 7 -
AS1301FS1-U10/32E-04 AS-FS ユニバーサル 1 メータアウト 180° ミリ φ4mm ガスケットシール UNF 10/32UNF 0.3 0.3 0.4 0.2 1MPa 0.1MPa 1.5MPa 8 8.2 9.6 9.4 11.5 19.8 17.5 33.8 39 36.5 35 33.5 13.3 13.6 9.6 7 -
AS1301FS1-U10/32-06 AS-FS ユニバーサル 1 メータアウト 180° ミリ φ6mm ガスケットシール UNF 10/32UNF 0.3 0.3 0.4 0.2 1MPa 0.1MPa 1.5MPa 9 10.4 9.6 9.4 11.5 20.9 20.4 36.6 39 36.5 35 33.5 13.3 13.6 9.6 8 -
AS1301FS1-U10/32E-06 AS-FS ユニバーサル 1 メータアウト 180° ミリ φ6mm ガスケットシール UNF 10/32UNF 0.3 0.3 0.4 0.2 1MPa 0.1MPa 1.5MPa 8 10.4 9.6 9.4 11.5 20.9 20.4 36.6 39 36.5 35 33.5 13.3 13.6 9.6 8 -
AS1301FS1-U10/32-01 AS-FS ユニバーサル 1 メータアウト 180° インチ φ1/8" ガスケットシール UNF 10/32UNF 0.3 0.3 0.4 0.2 1MPa 0.1MPa 1.5MPa 9 7.2 9.6 9.4 11.6 19.4 17.5 33.8 39 36.5 35 33.5 13.3 13.6 9.6 7 -
AS1301FS1-U10/32E-01 AS-FS ユニバーサル 1 メータアウト 180° インチ φ1/8" ガスケットシール UNF 10/32UNF 0.3 0.3 0.4 0.2 1MPa 0.1MPa 1.5MPa 8 7.2 9.6 9.4 11.6 19.4 17.5 33.8 39 36.5 35 33.5 13.3 13.6 9.6 7 -
AS1301FS1-U10/32-03 AS-FS ユニバーサル 1 メータアウト 180° インチ φ5/32" ガスケットシール UNF 10/32UNF 0.3 0.3 0.4 0.2 1MPa 0.1MPa 1.5MPa 9 8.2 9.6 9.4 11.5 19.8 17.5 33.8 39 36.5 35 33.5 13.3 13.6 9.6 7 -
AS1301FS1-U10/32E-03 AS-FS ユニバーサル 1 メータアウト 180° インチ φ5/32" ガスケットシール UNF 10/32UNF 0.3 0.3 0.4 0.2 1MPa 0.1MPa 1.5MPa 8 8.2 9.6 9.4 11.5 19.8 17.5 33.8 39 36.5 35 33.5 13.3 13.6 9.6 7 -

型式 商品コード 単位 価格
(円)
基準納期
日伝 メーカー
AS1301FS1-U10/32-23 AS1301FS1-U10/32-23 P 2,575 - -
AS1301FS1-U10/32E-23 AS1301FS1-U10/32E-23 P 2,575 - -
AS1301FS1-U10/32-04 AS1301FS1-U10/32-04 P 2,525 - -
AS1301FS1-U10/32E-04 AS1301FS1-U10/32E-04 P 2,525 - -
AS1301FS1-U10/32-06 AS1301FS1-U10/32-06 P 2,525 - -
AS1301FS1-U10/32E-06 AS1301FS1-U10/32E-06 P 2,525 - -
AS1301FS1-U10/32-01 AS1301FS1-U10/32-01 P 2,575 - -
AS1301FS1-U10/32E-01 AS1301FS1-U10/32E-01 P 2,575 - -
AS1301FS1-U10/32-03 AS1301FS1-U10/32-03 P 2,525 - -
AS1301FS1-U10/32E-03 AS1301FS1-U10/32E-03 P 2,525 - -

この製品を見た人はこのような製品も見ています

1952年設立で、動力伝導機器・産業機器・制御機器等の機械設備及び機械器具関連製品の販売をしている専門総合商社です。
日本国内で40以上の拠点を持ち、信頼性の高い製品と技術力で、全国のものづくりに携わる方々のあらゆるお困りごとを解決しています。

Loading...