モノづくりの困ったを解決する総合サイト

Produced by

標準タイプ スピードコントローラ(金属ボディ) エルボタイプ AS

AS2200・A32200・A42200

  • AS2200・A32200・A42200

  • AS1200-M3

  • AS1200-M5

  • AS1400-M3

■削減される配管工数とコスト
・アクチュエータヘ直接ねじ込み装着ですから、継手、チューブが省略でき、配管の工数とコストが削減できます。

■自由に設定できる配管方向
・スイベルタイプですから取付後配管方向を自由に設定できます。

■低流量域での速度制御が容易

■等質の速度制御が可能

■ニードル弁抜け止め機構

#スピードコントローラ

詳細仕様

  • 204件中 121-130件

  • 表示件数

204件の型式

型式 タイプ 形状 ボディ
サイズ
制御方式 管接続部 接続口径 流量(L/min(ANR)) C値:音速コンダクタンス(dm3/(s・bar)) b値:臨界圧力比 最高
使用圧力
最低
使用圧力
保証
耐圧力
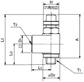
H
(mm)
L1
(mm)
L2(mm) L3
(mm)
D1
(mm)
D2
(mm)
A(mm) オプション オーダーメイド仕様
シール方式 ねじタイプ シリンダ側 T1 チューブ側 T2 自由流れ 制御流れ 自由流れ 制御流れ 自由流れ 制御流れ MAX. MIN. MAX. MIN.
AS2210-F02-K AS シリンダ直結形エルボ 2 メータイン シール剤なし R×G R1/4 G1/4 460 460 1.4 1.4 0.3 0.3 1MPa 0.1MPa 1.5MPa 17 27.2 40.3 35.3 17.5 18 19.3 34.8 29.8 ロックナット(六角) -
AS2210-F02-J AS シリンダ直結形エルボ 2 メータイン シール剤なし R×G R1/4 G1/4 460 460 1.4 1.4 0.3 0.3 1MPa 0.1MPa 1.5MPa 17 27.2 40.3 35.3 17.5 18 19.3 34.8 29.8 六角ナット(丸形) -
AS2210-F02-S AS シリンダ直結形エルボ 2 メータイン シール剤付 R×G R1/4 G1/4 460 460 1.4 1.4 0.3 0.3 1MPa 0.1MPa 1.5MPa 17 27.2 40.3 35.3 17.5 18 19.3 34.8 29.8 - -
AS2210-F02-S-J AS シリンダ直結形エルボ 2 メータイン シール剤付 R×G R1/4 G1/4 460 460 1.4 1.4 0.3 0.3 1MPa 0.1MPa 1.5MPa 17 27.2 40.3 35.3 17.5 18 19.3 34.8 29.8 六角ナット(丸形) -
AS2210-N01 AS シリンダ直結形エルボ 2 メータイン シール剤なし NPT×NPT NPT1/8 NPT1/8 230 230 0.7 0.7 0.2 0.25 1MPa 0.1MPa 1.5MPa 12.7 18 35.5 30.5 13.2 14.3 14.6 32.4 27.4 - -
AS2210-N01-J AS シリンダ直結形エルボ 2 メータイン シール剤なし NPT×NPT NPT1/8 NPT1/8 230 230 0.7 0.7 0.2 0.25 1MPa 0.1MPa 1.5MPa 12.7 18 35.5 30.5 13.2 14.3 14.6 32.4 27.4 六角ナット(丸形) -
AS2210-N01-S AS シリンダ直結形エルボ 2 メータイン シール剤付 NPT×NPT NPT1/8 NPT1/8 230 230 0.7 0.7 0.2 0.25 1MPa 0.1MPa 1.5MPa 12.7 18 35.5 30.5 13.2 14.3 14.6 32.4 27.4 - -
AS2210-N01-S-J AS シリンダ直結形エルボ 2 メータイン シール剤付 NPT×NPT NPT1/8 NPT1/8 230 230 0.7 0.7 0.2 0.25 1MPa 0.1MPa 1.5MPa 12.7 18 35.5 30.5 13.2 14.3 14.6 32.4 27.4 六角ナット(丸形) -
AS2210-N01-S-X12 AS シリンダ直結形エルボ 2 メータイン シール剤付 NPT×NPT NPT1/8 NPT1/8 230 230 0.7 0.7 0.2 0.25 1MPa 0.1MPa 1.5MPa 12.7 18 35.5 30.5 13.2 14.3 14.6 32.4 27.4 - 潤滑剤:ワセリン
AS2210-N02 AS シリンダ直結形エルボ 2 メータイン シール剤なし NPT×NPT NPT1/4 NPT1/4 460 460 1.4 1.4 0.3 0.3 1MPa 0.1MPa 1.5MPa 17.5 27.2 40.3 35.3 17.5 18 19.3 34.8 29.8 - -

型式 商品コード 単位 価格
(円)
基準納期
日伝 メーカー
AS2210-F02-K AS2210-F02-K P 3,400 - -
AS2210-F02-J AS2210-F02-J P 3,300 - -
AS2210-F02-S AS2210-F02-S P 3,350 - -
AS2210-F02-S-J AS2210-F02-S-J P 3,350 - -
AS2210-N01 AS2210-N01 P 3,300 - -
AS2210-N01-J AS2210-N01-J P 3,300 - -
AS2210-N01-S AS2210-N01-S P 3,350 - -
AS2210-N01-S-J AS2210-N01-S-J P 3,350 - -
AS2210-N01-S-X12 AS2210-N01-S-X12 P 3,575 - -
AS2210-N02 AS2210-N02 P 3,300 - -

この製品を見た人はこのような製品も見ています

1952年設立で、動力伝導機器・産業機器・制御機器等の機械設備及び機械器具関連製品の販売をしている専門総合商社です。
日本国内で40以上の拠点を持ち、信頼性の高い製品と技術力で、全国のものづくりに携わる方々のあらゆるお困りごとを解決しています。

Loading...