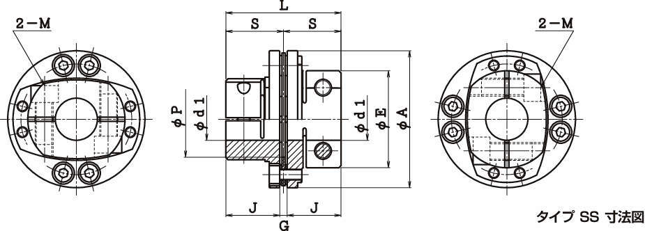
TCD・タイプSS
-
TCD・タイプSS
-
TCD・タイプLS
-
TCS・タイプSS
-
TCS・タイプLS
独自板ばねによりトルク伝達能力を向上しました。
・独自仕様の積層板ばねとその取付けにツインボルトを採用することで従来品の1.5~2倍のトルク伝動が可能。
・軸締結はダブルボルトクランプ式を採用。
・剛性を重視した炭素鋼(S45C)ボディにより高トルク・高精度が要求されるアプリケーションに最適です。
・二種類のハブ形状により取付け軸穴のバリエーションが豊富になりました。
共通仕様
| タイプ | TCD:ダブル TCS:シングル |
|---|---|
| 締結方法 | ボルトクランプ |
| ハブ材質 | S45C |

