モノづくりの困ったを解決する総合サイト

Produced by

酒井製作所

カップリング|精密バネ軸継手 TCD-B・TCS-Bシリーズ

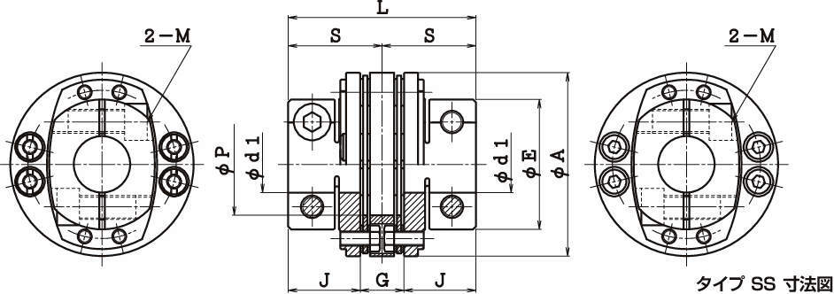
TCD・タイプSS

  • TCD・タイプSS

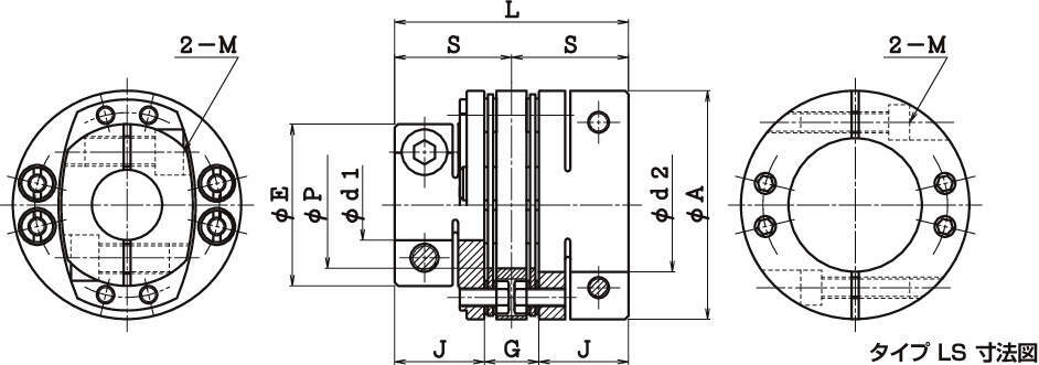
  • TCD・タイプLS

  • TCS・タイプSS

  • TCS・タイプLS

独自板ばねによりトルク伝達能力を向上しました。

・独自仕様の積層板ばねとその取付けにツインボルトを採用することで従来品の1.5~2倍のトルク伝動が可能。
・軸締結はダブルボルトクランプ式を採用。
・剛性を重視した炭素鋼(S45C)ボディにより高トルク・高精度が要求されるアプリケーションに最適です。
・二種類のハブ形状により取付け軸穴のバリエーションが豊富になりました。

#カップリング

共通仕様

タイプ TCD:ダブル
TCS:シングル
締結方法 ボルトクランプ
ハブ材質 S45C

詳細仕様

  • 884件中 21-30件

  • 表示件数

884件の型式

型式 板ばね タイプ A
(mm)
E
(mm)
P
(mm)
L
(mm)
S
(mm)
J
(mm)
G
(mm)
M d1
(mm)
d2
(mm)
許容トルク
(N・m)
許容偏心
(mm)
許容偏角 許容
軸方向変位
(mm)
最高回転速度
(min-1)
ねじり剛性 軸方向
ばね定数
(N/mm)
慣性モーメント
(kg・m2)
質量
(kg)
全体 (N・m/rad) 板ばねのみ (N・m/rad)
TCD-65B-15×22 ダブル SS 65 46 36 66 33 25.5 15 M8/M6 15 22 80 0.2 1.0° ±0.92 10000 4.20×10^4 1.14×10^5 66 3.60×10^-4 0.7
TCD-65B-15×24 ダブル SS 65 46 36 66 33 25.5 15 M8/M6 15 24 80 0.2 1.0° ±0.92 10000 4.20×10^4 1.14×10^5 66 3.60×10^-4 0.7
TCD-65B-15×25 ダブル SS 65 46 36 66 33 25.5 15 M8/M6 15 25 80 0.2 1.0° ±0.92 10000 4.20×10^4 1.14×10^5 66 3.60×10^-4 0.7
TCD-65B-15×28 ダブル LS 65 46 36 66 33 25.5 15 M8/M6 15 28 80 0.2 1.0° ±0.92 10000 5.10×10^4 1.14×10^5 66 5.17×10^-4 0.85
TCD-65B-15×30 ダブル LS 65 46 36 66 33 25.5 15 M8/M6 15 30 80 0.2 1.0° ±0.92 10000 5.10×10^4 1.14×10^5 66 5.17×10^-4 0.85
TCD-65B-15×32 ダブル LS 65 46 36 66 33 25.5 15 M8/M6 15 32 80 0.2 1.0° ±0.92 10000 5.10×10^4 1.14×10^5 66 5.17×10^-4 0.85
TCD-65B-15×35 ダブル LS 65 46 36 66 33 25.5 15 M8/M6 15 35 80 0.2 1.0° ±0.92 10000 5.10×10^4 1.14×10^5 66 5.17×10^-4 0.85
TCD-65B-16×16 ダブル SS 65 46 36 66 33 25.5 15 M8 16 16 80 0.2 1.0° ±0.92 10000 4.20×10^4 1.14×10^5 66 3.60×10^-4 0.7
TCD-65B-16×17 ダブル SS 65 46 36 66 33 25.5 15 M8 16 17 80 0.2 1.0° ±0.92 10000 4.20×10^4 1.14×10^5 66 3.60×10^-4 0.7
TCD-65B-16×18 ダブル SS 65 46 36 66 33 25.5 15 M8 16 18 80 0.2 1.0° ±0.92 10000 4.20×10^4 1.14×10^5 66 3.60×10^-4 0.7

型式 商品コード 単位 価格
(円)
基準納期
日伝 メーカー
TCD-65B-15×22 TCD-65B-15-22 P 18,600 - 15日間
TCD-65B-15×24 TCD-65B-15-24 P 18,600 - 15日間
TCD-65B-15×25 TCD-65B-15-25 P 18,600 - 15日間
TCD-65B-15×28 TCD-65B-15-28 P 18,600 - 15日間
TCD-65B-15×30 TCD-65B-15-30 P 18,600 - 15日間
TCD-65B-15×32 TCD-65B-15-32 P 18,600 - 15日間
TCD-65B-15×35 TCD-65B-15-35 P 18,600 - 15日間
TCD-65B-16×16 TCD-65B-16-16 P 18,600 - 15日間
TCD-65B-16×17 TCD-65B-16-17 P 18,600 - 15日間
TCD-65B-16×18 TCD-65B-16-18 P 18,600 - 15日間

この製品を見た人はこのような製品も見ています

1952年設立で、動力伝導機器・産業機器・制御機器等の機械設備及び機械器具関連製品の販売をしている専門総合商社です。
日本国内で40以上の拠点を持ち、信頼性の高い製品と技術力で、全国のものづくりに携わる方々のあらゆるお困りごとを解決しています。

Loading...