モノづくりの困ったを解決する総合サイト

Produced by

酒井製作所

カップリング|精密バネ軸継手 TAD・TASシリーズ

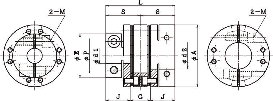
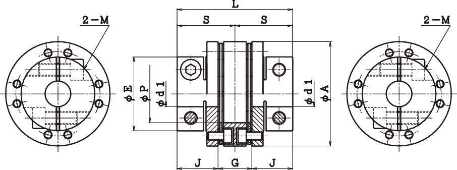
TAD-C タイプSS

  • TAD-C タイプSS

  • TAD-C タイプLS

  • TAD-C タイプLL

  • TAS-C タイプSS

  • TAS-C タイプLS

  • TAS-C タイプLL

・TADタイプは超々ジュラルミンの軽量・高剛性ボディと独自板ばねによるトルク伝達の向上により、性能アップとコストダウンを両立します。
・TASタイプはシングル板ばね式による高剛性化と軽量ボディにより精度・制御応答性の向上を追求しました。

#カップリング

共通仕様

タイプ TAD:ダブル
TAS:シングル
締結方法 ボルトクランプ
ハブ材質 A7075

詳細仕様

  • 576件中 11-20件

  • 表示件数

576件の型式

型式 板ばね タイプ 許容
トルク
(N・m)
許容偏心
(mm)
許容偏角
°(片側)
許容軸方向
変位
(mm)
最高
回転数
(r/min)
ねじり剛性 軸方向ばね定数
(N/mm)
慣性モーメント
(kg・m2)
A E P L S J G M d1 d2 質量
(kg)
全体 (N・m/rad) 板ばねのみ (N・m/rad)
TAD-48C-10×24 ダブル LS 35 0.26 1.0 ±0.67 10000 1.34×10^4 3.35×10^4 55 0.65×10^-4 48 33 26 56.5 28.25 19.5 17.5 M5/M5 10 24 0.20
TAD-48C-10×25 ダブル LS 35 0.26 1.0 ±0.67 10000 1.34×10^4 3.35×10^4 55 0.65×10^-4 48 33 26 56.5 28.25 19.5 17.5 M5/M5 10 25 0.20
TAD-48C-12×12 ダブル SS 35 0.26 1.0 ±0.67 10000 1.12×10^4 3.35×10^4 55 0.54×10^-4 48 33 26 56.5 28.25 19.5 17.5 M5/M5 12 12 0.18
TAD-48C-12×14 ダブル SS 35 0.26 1.0 ±0.67 10000 1.12×10^4 3.35×10^4 55 0.54×10^-4 48 33 26 56.5 28.25 19.5 17.5 M5/M5 12 14 0.18
TAD-48C-12×15 ダブル SS 35 0.26 1.0 ±0.67 10000 1.12×10^4 3.35×10^4 55 0.54×10^-4 48 33 26 56.5 28.25 19.5 17.5 M5/M5 12 15 0.18
TAD-48C-12×16 ダブル SS 35 0.26 1.0 ±0.67 10000 1.12×10^4 3.35×10^4 55 0.54×10^-4 48 33 26 56.5 28.25 19.5 17.5 M5/M5 12 16 0.18
TAD-48C-12×17 ダブル LS 35 0.26 1.0 ±0.67 10000 1.34×10^4 3.35×10^4 55 0.65×10^-4 48 33 26 56.5 28.25 19.5 17.5 M5/M5 12 17 0.20
TAD-48C-12×18 ダブル LS 35 0.26 1.0 ±0.67 10000 1.34×10^4 3.35×10^4 55 0.65×10^-4 48 33 26 56.5 28.25 19.5 17.5 M5/M5 12 18 0.20
TAD-48C-12×19 ダブル LS 35 0.26 1.0 ±0.67 10000 1.34×10^4 3.35×10^4 55 0.65×10^-4 48 33 26 56.5 28.25 19.5 17.5 M5/M5 12 19 0.20
TAD-48C-12×20 ダブル LS 35 0.26 1.0 ±0.67 10000 1.34×10^4 3.35×10^4 55 0.65×10^-4 48 33 26 56.5 28.25 19.5 17.5 M5/M5 12 20 0.20

型式 商品コード 単位 価格
(円)
基準納期
日伝 メーカー
TAD-48C-10×24 TAD-48C-10-24 P 13,500 - 10日間
TAD-48C-10×25 TAD-48C-10-25 P 13,500 - 10日間
TAD-48C-12×12 TAD-48C-12-12 P 13,500 - 10日間
TAD-48C-12×14 TAD-48C-12-14 P 13,500 - 10日間
TAD-48C-12×15 TAD-48C-12-15 P 13,500 - 10日間
TAD-48C-12×16 TAD-48C-12-16 P 13,500 - 10日間
TAD-48C-12×17 TAD-48C-12-17 P 13,500 - 10日間
TAD-48C-12×18 TAD-48C-12-18 P 13,500 - 10日間
TAD-48C-12×19 TAD-48C-12-19 P 13,500 - 10日間
TAD-48C-12×20 TAD-48C-12-20 P 13,500 - 10日間

この製品を見た人はこのような製品も見ています

1952年設立で、動力伝導機器・産業機器・制御機器等の機械設備及び機械器具関連製品の販売をしている専門総合商社です。
日本国内で40以上の拠点を持ち、信頼性の高い製品と技術力で、全国のものづくりに携わる方々のあらゆるお困りごとを解決しています。

Loading...