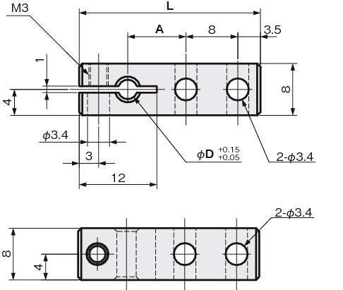
共通仕様
| 材質 | アルミ(A6063BE) |
|---|---|
| 付属品 | 六角穴付ボルト(SUSXM7)M3×8 1本 |
岩田製作所
1件の型式
| 型式 |
対応センサ サイズ |
材質 |
基準寸法 A (mm) |
寸法(mm) |
質量 (g) |
|
|---|---|---|---|---|---|---|
| φD | L | |||||
| FS03CV009-A | φ3 | アルミ | 9 | 3 | 28 | 5 |
| 型式 | 商品コード | 単位 |
価格 (円) |
基準納期 | |
|---|---|---|---|---|---|
| 日伝 | メーカー | ||||
| FS03CV009-A | FS03CV009-A | P | 1,450 | - | 在庫品 |
製品についてのご質問やお困りごとなどお気軽にご相談ください!