モノづくりの困ったを解決する総合サイト

Produced by

岩田製作所

センサブラケット(センサスタンド)|SJE・SJGタイプ

SJE

  • SJE

  • SJG

共通仕様

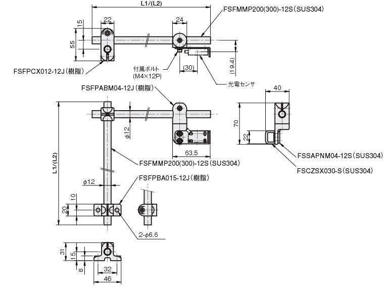
形状 L型
タイプ SJE:φ12丸パイプ
SJG :□12角パイプ
対応センサ SUNX:CX
山武:HPB
オプテックスFA:Z
オムロン:E3Z
キーエンス:PZ
シャフト 材質:ステンレス(SUS304)/#400研磨仕上げ
目盛:レーザーマーキング
ブラケット ポリアミド(PA(66N)黒色)

CADメーカーTOP

詳細仕様

  • 6件中 1-6件

  • 表示件数

6件の型式

型式 シャフト径
(mm)
シャフト長(mm)
L1 L2
SJE200-200 φ12 200 200
SJE200-300 φ12 200 300
SJE300-300 φ12 300 300
SJG200-200 □12 200 200
SJG200-300 □12 200 300
SJG300-300 □12 300 300

型式 商品コード 単位 価格
(円)
基準納期
日伝 メーカー
SJE200-200 SJE200-200 P 4,150 - 在庫品
SJE200-300 SJE200-300 P 4,440 - 在庫品
SJE300-300 SJE300-300 P 4,730 - 在庫品
SJG200-200 SJG200-200 P 5,590 - 在庫品
SJG200-300 SJG200-300 P 5,930 - 在庫品
SJG300-300 SJG300-300 P 6,270 - 在庫品

この製品を見た人はこのような製品も見ています

1952年設立で、動力伝導機器・産業機器・制御機器等の機械設備及び機械器具関連製品の販売をしている専門総合商社です。
日本国内で40以上の拠点を持ち、信頼性の高い製品と技術力で、全国のものづくりに携わる方々のあらゆるお困りごとを解決しています。

Loading...