FSLEDB-3S
-
FSLEDB-3S
-
FSLEDB-3SB
■主要なLED照明に合わせた取付金具を標準化。
■反射を防ぐつや消し黒色仕様もラインアップ。
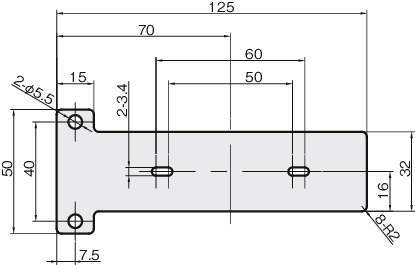
共通仕様
| 付属品 | ・FSLEDB-3S:セムビス(SUSXM7) M3×6 2本 ・FSLEDB-3SB:セムビス(三価クロメート・黒) M3×6 2本 |
|---|
岩田製作所
FSLEDB-3S
FSLEDB-3S
FSLEDB-3SB
■主要なLED照明に合わせた取付金具を標準化。
■反射を防ぐつや消し黒色仕様もラインアップ。
| 付属品 | ・FSLEDB-3S:セムビス(SUSXM7) M3×6 2本 ・FSLEDB-3SB:セムビス(三価クロメート・黒) M3×6 2本 |
|---|
2件の型式
| 型式 | タイプ | 材質 | 表面処理 |
質量 (g) |
|---|---|---|---|---|
| FSLEDB-3S | B-3タイプ | ステンレス(SUS304) | - | 78.4 |
| FSLEDB-3SB | B-3タイプ | ステンレス(SUS304) | 低温黒色クロムメッキ | 78.4 |
| 型式 | 商品コード | 単位 |
価格 (円) |
基準納期 | |
|---|---|---|---|---|---|
| 日伝 | メーカー | ||||
| FSLEDB-3S | FSLEDB-3S | P | 1,410 | - | 在庫品 |
| FSLEDB-3SB | FSLEDB-3SB | P | 1,790 | - | 在庫品 |
製品についてのご質問やお困りごとなどお気軽にご相談ください!