KHG [Eシリーズ]
-
KHG [Eシリーズ]
■歯研はすば歯車 KHG
・はすば歯車は、静粛回転、コンパクト設計、経済性等を考慮した製品で、工作機械、減速機等、あらゆる産業機械の高速回転を必要とするところに対応できる歯車です。
・精度、強度、耐摩耗性、静粛性が優れ、追加工が可能です。
・平歯車と同様の中心距離で使用できます。
■歯車締結の悩みを解決!
・歯車と軸との取付時間の削減したい。(組立時間5分程度KHK調べ)取外しの際も同様の作業時間が掛かります。
・歯車と軸の組付け振れを小さくしたい。
・歯車と軸とのバックラッシを小さくしたい。
・フレッティング摩耗(軸ヤセや焼付き)による軸強度の低下を低減したい。
・位相合わせ、位置決めの簡素化をしたい。
■ETP-EPlusの動作原理
・チャンバー内に封入されている圧力媒体は、プレッシャースクリューの締め込みにより加圧されてスリーブ内に移行します。
・この圧力媒体の加圧で、スリーブは内部から圧力を受け、軸側スリーブは収縮し、ハブ側スリーブは拡張し、軸とハブはスリーブを介して締結されます。
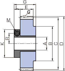
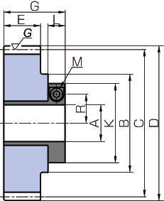
共通仕様
| 精度等級 | JIS N6級相当品 (JIS B 1702-1:1998) |
|---|---|
| 歯車基準断面 | 軸直角 |
| 歯形 | 並歯 |
| 正面圧力角 | 20° |
| ねじれ角 | 20°30’ |
| 材料 | SCM440 |
| 熱処理 | 調質、歯面高周波焼入れ |
| 歯面硬度 | 50~60HRC |
| 表面処理 | 歯部以外黒染 |

