A形
-
A形
-
B形
共通仕様
| プーリピッチ | 14.0mm |
|---|---|
| PLD | 1.397mm |
| 材質 | 鋼材 |
三ツ星ベルト
A形
A形
B形
| プーリピッチ | 14.0mm |
|---|---|
| PLD | 1.397mm |
| 材質 | 鋼材 |
55件の型式
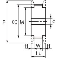
| 型式 | 歯形 |
プーリ 形状 |
材質 | 歯数 |
プーリ幅 (mm) |
ピッチ径 P.D. (mm) |
外径 O.D. (mm) |
LA (mm) |
LB (mm) |
LW (mm) |
W (mm) |
H (mm) |
K (mm) |
D (mm) |
E (mm) |
G (mm) |
軸穴径d(mm) |
概略 質量 (kg) |
適用フランジ | ||||
|---|---|---|---|---|---|---|---|---|---|---|---|---|---|---|---|---|---|---|---|---|---|---|---|
| min | max | 型式 | 厚みt(mm) | 外径D(mm) | 内径P(mm) | ||||||||||||||||||
| P28S14M0400A | S14M | A形 | 鋼材 | 28 | 40 | 124.78 | 121.98 | 53 | - | - | 46 | 3.5 | - | - | - | - | 25 | 56 | 4.22 | F-23136101 | 2.3 | 136 | 101 |
| P30S14M0400A | S14M | A形 | 鋼材 | 30 | 40 | 133.69 | 130.90 | 53 | - | - | 46 | 3.5 | - | - | - | - | 25 | 62 | 4.92 | F-23144111 | 2.3 | 144 | 111 |
| P32S14M0400A | S14M | A形 | 鋼材 | 32 | 40 | 142.60 | 139.81 | 53 | - | - | 46 | 3.5 | - | - | - | - | 25 | 62 | 5.68 | F-23152121 | 2.3 | 152 | 121 |
| P34S14M0400A | S14M | A形 | 鋼材 | 34 | 40 | 151.52 | 148.72 | 53 | - | - | 46 | 3.5 | - | - | - | - | 25 | 70 | 6.5 | F-23161131 | 2.3 | 161 | 131 |
| P36S14M0400A | S14M | A形 | 鋼材 | 36 | 40 | 160.43 | 157.63 | 53 | - | - | 46 | 3.5 | - | - | - | - | 25 | 70 | 7.36 | F-23172141 | 2.3 | 172 | 141 |
| P40S14M0400A | S14M | A形 | 鋼材 | 40 | 40 | 178.25 | 175.46 | 53 | - | - | 46 | 3.5 | - | - | - | - | 30 | 80 | 9.12 | F-23190161 | 2.3 | 190 | 161 |
| P42S14M0400A | S14M | A形 | 鋼材 | 42 | 40 | 187.17 | 184.37 | 53 | - | - | 46 | 3.5 | - | - | - | - | 30 | 85 | 10.14 | F-23200164 | 2.3 | 200 | 164 |
| P44S14M0400A | S14M | A形 | 鋼材 | 44 | 40 | 196.08 | 193.28 | 53 | - | - | 46 | 3.5 | - | - | - | - | 30 | 90 | 11.19 | F-23208173 | 2.3 | 208 | 173 |
| P48S14M0400A | S14M | A形 | 鋼材 | 48 | 40 | 213.90 | 211.11 | 53 | - | - | 46 | 3.5 | - | - | - | - | 30 | 90 | 13.48 | F-23224190 | 2.3 | 224 | 190 |
| P50S14M0400A | S14M | A形 | 鋼材 | 50 | 40 | 222.82 | 220.02 | 53 | - | - | 46 | 3.5 | - | - | - | - | 30 | 90 | 14.71 | F-23235200 | 2.3 | 235 | 200 |
| 型式 | 商品コード | 単位 |
価格 (円) |
基準納期 | |
|---|---|---|---|---|---|
| 日伝 | メーカー | ||||
| P28S14M0400A | 28S14M400A | P | 21,760 | - | - |
| P30S14M0400A | 30S14M400A | P | 23,510 | - | - |
| P32S14M0400A | 32S14M400A | P | 25,150 | - | - |
| P34S14M0400A | 34S14M400A | P | 26,730 | - | - |
| P36S14M0400A | 36S14M400A | P | 28,450 | - | - |
| P40S14M0400A | 40S14M400A | P | 32,290 | - | - |
| P42S14M0400A | 42S14M400A | P | 35,400 | - | - |
| P44S14M0400A | 44S14M400A | P | 38,600 | - | - |
| P48S14M0400A | 48S14M400A | P | 45,360 | - | - |
| P50S14M0400A | 50S14M400A | P | 47,410 | - | - |
製品についてのご質問やお困りごとなどお気軽にご相談ください!