SNSLG-TF
-
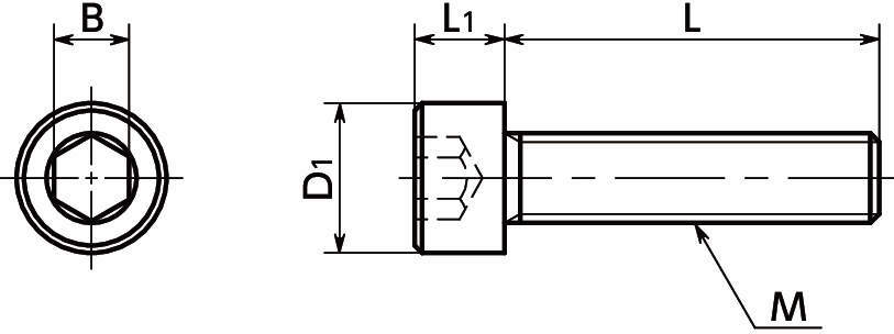
SNSLG-TF
・高強度のステンレス製六角穴付きボルト。
・引張強さ1000N/mm2、0.2%耐力800N/mm2
・一般的なステンレス製の六角穴付きボルトに比べ約1.8倍の耐力があります。ねじ径のサイズダウンや本数削減による省スペース・軽量化が可能です。
・SUS316L製。耐蝕性にすぐれています。
・非磁性。
・耐薬品性にすぐれています。
・すぐれた潤滑性。ねじのかじり・焼きつき防止に適しています。
・JIS B 1176、ISO 4762、DIN 912に準拠。
<用途>
・かじり・焼きつき防止
・省スペース化・軽量化
・FPD製造装置/半導体製造装置/プリント基板エッチング装置/金属表面処理設備/化学プラント
共通仕様
| 本体 | SUS316L PTFE(四ふっ化エチレン)コーティング |
|---|

