-
-
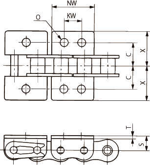
A1アタッチメント
-
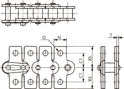
SA1アタッチメント
椿本チエイン
アタッチメント付 RS形チェーン
詳細仕様
728件の型式
| 型式 | タイプ | チェーン番号 | アタッチメント |
ピッチ P (mm) |
ローラ径 R (mm) |
内リンク内幅 W (mm) |
プレート(mm) | ピン(mm) | アタッチメント(mm) |
平均引張強さ (kN) |
最大許容張力 (kN) |
質量(kg/m) | リンク数 | |||||||||||||||||
|---|---|---|---|---|---|---|---|---|---|---|---|---|---|---|---|---|---|---|---|---|---|---|---|---|---|---|---|---|---|---|
| 型式 | 間隔 | 厚さ T | 幅 H | ピン径 D | L1 | L2 | C | C1 | N | O | S | X | X2 | XS | L3 | L4 | NW (外) | NW (内) | KW | 概略 (チェーン本体) | アタッチメント 1個当たりの付加 | |||||||||
| RS40-1LA1-U | ユニット | RS40 | A1 | 1L | 12.70 | 7.92 | 7.95 | 1.5 | 12.0 | 3.97 | 8.25 | 9.95 | 12.7 | - | 9.5 | 3.6 | 8.0 | 17.8 | 17.8 | - | - | - | - | - | - | 16.7 | 2.65 | 0.64 | 0.002 | 240 |
| RS40-2LA1-U | ユニット | RS40 | A1 | 2L | 12.70 | 7.92 | 7.95 | 1.5 | 12.0 | 3.97 | 8.25 | 9.95 | 12.7 | - | 9.5 | 3.6 | 8.0 | 17.8 | 17.8 | - | - | - | - | - | - | 16.7 | 2.65 | 0.64 | 0.002 | 240 |
| RS50-1LA1-U | ユニット | RS50 | A1 | 1L | 15.875 | 10.16 | 9.53 | 2.0 | 15.0 | 5.09 | 10.3 | 12.0 | 15.9 | - | 12.7 | 5.2 | 10.3 | 23.4 | 23.4 | - | - | - | - | - | - | 27.5 | 4.31 | 1.04 | 0.003 | 192 |
| RS50-2LA1-U | ユニット | RS50 | A1 | 2L | 15.875 | 10.16 | 9.53 | 2.0 | 15.0 | 5.09 | 10.3 | 12.0 | 15.9 | - | 12.7 | 5.2 | 10.3 | 23.4 | 23.4 | - | - | - | - | - | - | 27.5 | 4.31 | 1.04 | 0.003 | 192 |
| RS60-1LA1-U | ユニット | RS60 | A1 | 1L | 19.05 | 11.91 | 12.70 | 2.4 | 18.1 | 5.96 | 12.85 | 14.75 | 19.05 | - | 15.9 | 5.2 | 11.9 | 28.2 | 28.2 | - | - | - | - | - | - | 40.2 | 6.28 | 1.53 | 0.007 | 160 |
| RS60-2LA1-U | ユニット | RS60 | A1 | 2L | 19.05 | 11.91 | 12.70 | 2.4 | 18.1 | 5.96 | 12.85 | 14.75 | 19.05 | - | 15.9 | 5.2 | 11.9 | 28.2 | 28.2 | - | - | - | - | - | - | 40.2 | 6.28 | 1.53 | 0.007 | 160 |
| RS80-1LA1-U | ユニット | RS80 | A1 | 1L | 25.40 | 15.88 | 15.88 | 3.2 | 24.1 | 7.94 | 16.25 | 19.25 | 25.4 | - | 19.1 | 6.8 | 15.9 | 36.6 | 36.6 | - | - | - | - | - | - | 68.6 | 10.7 | 2.66 | 0.013 | 120 |
| RS80-2LA1-U | ユニット | RS80 | A1 | 2L | 25.40 | 15.88 | 15.88 | 3.2 | 24.1 | 7.94 | 16.25 | 19.25 | 25.4 | - | 19.1 | 6.8 | 15.9 | 36.6 | 36.6 | - | - | - | - | - | - | 68.6 | 10.7 | 2.66 | 0.013 | 120 |
| RS100-1LA1-U | ユニット | RS100 | A1 | 1L | 31.75 | 19.05 | 19.05 | 4.0 | 30.1 | 9.54 | 19.75 | 22.85 | 31.75 | - | 25.4 | 8.7 | 19.8 | 44.9 | 44.9 | - | - | - | - | - | - | 108 | 17.1 | 3.99 | 0.026 | 96 |
| RS100-2LA1-U | ユニット | RS100 | A1 | 2L | 31.75 | 19.05 | 19.05 | 4.0 | 30.1 | 9.54 | 19.75 | 22.85 | 31.75 | - | 25.4 | 8.7 | 19.8 | 44.9 | 44.9 | - | - | - | - | - | - | 108 | 17.1 | 3.99 | 0.026 | 96 |
| 型式 | 商品コード | 単位 |
価格 (円) |
基準納期 | |
|---|---|---|---|---|---|
| 日伝 | メーカー | ||||
| RS40-1LA1-U | RS40-1LA1-U | P | 21,100 | 在庫品 | 在庫品 |
| RS40-2LA1-U | RS40-2LA1-U | P | 17,000 | 在庫品 | 在庫品 |
| RS50-1LA1-U | RS50-1LA1-U | P | 23,100 | 在庫品 | 在庫品 |
| RS50-2LA1-U | RS50-2LA1-U | P | 19,300 | - | 在庫品 |
| RS60-1LA1-U | RS60-1LA1-U | P | 25,100 | 在庫品 | 在庫品 |
| RS60-2LA1-U | RS60-2LA1-U | P | 22,000 | - | 在庫品 |
| RS80-1LA1-U | RS80-1LA1-U | P | 36,200 | - | 在庫品 |
| RS80-2LA1-U | RS80-2LA1-U | P | 32,700 | - | 在庫品 |
| RS100-1LA1-U | RS100-1LA1-U | P | 61,600 | - | 在庫品 |
| RS100-2LA1-U | RS100-2LA1-U | P | 56,200 | - | 在庫品 |
関連製品
この製品を見た人はこのような製品も見ています
製品についてのご質問やお困りごとなどお気軽にご相談ください!
Loading...

