PHA
-
PHA
・扉の開閉時に手を離しても、反動(スプリングバック)を1°以下に抑えます。
・静トルク(静止時からの動き出し)と動トルク(回転中)の差を10%以内という小さな範囲に抑えることで、非常にスムーズな操作性を発揮します。
・摩耗が少なく耐久性に優れています。
・5万回の開閉試験をクリアしています。
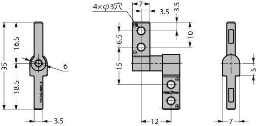
共通仕様
| 材料・仕上(本体) | 亜鉛合金、素地 |
|---|---|
| 材料・仕上(軸) | 鋼、素地 |
| 開閉角度 | 0℃~60℃ |
| 使用温度 | 360° |

