KQ2Y-A (R/ミリ)
-
KQ2Y-A (R/ミリ)
-
KQ2Y-A (R・NPT/インチ)
-
KQ2Y-G (R/ミリ)
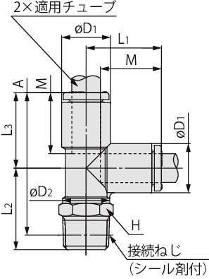
■サービスチーズユニオン
・めねじ部からの同一方向および90度方向の分岐配管に使用。
■シール方式:シール剤(シール剤なし)
■再配管が可能
・繰り返し使用するとシール剤が剥離するため、シールテープが必要です。
■選べるリリースブッシュ形状
・長円形・真円形。
【New KQ2シリーズの特長】
■KQ・KQ2・KJを“KQ2”へ一本化。
■長円形リリースブッシュ追加!
■チューブ着脱性向上
・挿入力:30%低減
・離脱力:20%低減
・チューブ引抜強度は、現行品と同等レベルを確保
■小型・軽量化
・スペース比:高さ方向 24% DOWN
・スペース比:水平方向 23% DOWN
・質量比:57% DOWN
※エルボユニオン、適用チューブ外径:φ6、接続ねじ:R1/8の場合
■バリエーション充実
共通仕様
| 使用流体 | 空気、水 |
|---|---|
| 使用圧力範囲 | -100KPa~1MPa |
| 保証圧力 | 3MPa(23℃時) |
| 周囲温度および使用流体温度 | 空気:-5~60℃ 水:0~40℃(凍結なきこと) |

