LAD-C
-
LAD-C
-
LAS-C
・たわみ部と軸締結部の総合性能で高剛性・高トルクの回転伝達を実現。
・ジュラルミン(A2017)のボディで軽量・高剛性・低慣性。
・締結はダブルボルトクランプ方式を採用。
・中型・小型のサーボモータ・パルスモータによる高精度の位置決め制御に適しています。
共通仕様
| 締結方法 | ボルトクランプ |
|---|---|
| ハブ材質 | 高力アルミ合金 |
酒井製作所
LAD-C
LAD-C
LAS-C
・たわみ部と軸締結部の総合性能で高剛性・高トルクの回転伝達を実現。
・ジュラルミン(A2017)のボディで軽量・高剛性・低慣性。
・締結はダブルボルトクランプ方式を採用。
・中型・小型のサーボモータ・パルスモータによる高精度の位置決め制御に適しています。
| 締結方法 | ボルトクランプ |
|---|---|
| ハブ材質 | 高力アルミ合金 |
602件の型式
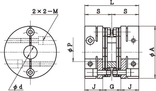
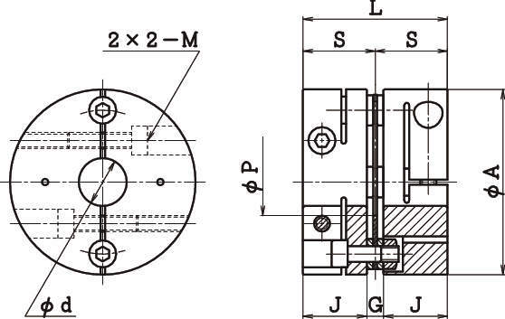
| 型式 | タイプ | A | P | L | S | J | G | M | d1 | d2 |
許容 トルク (N・m) |
ねじり剛性 |
最高 回転数 (r/min) |
許容 偏角 |
許容 偏心 (mm) |
許容 軸方向変位 (mm) |
軸方向 ばね定数 (N/mm) |
慣性 モーメント (kg・m2) |
質量 (g) |
|
|---|---|---|---|---|---|---|---|---|---|---|---|---|---|---|---|---|---|---|---|---|
| 全体 (N・m/rad) | 板ばね のみ (N・m/rad) | |||||||||||||||||||
| LAD-12C-3×3 | ダブル | - | - | - | - | - | - | - | 3 | 3 | 0.25 | 132 | 200 | 10000 | 0.5° | 0.03 | ±0.08 | 10 | 0.08×10^-6 | 4 |
| LAD-12C-3×4 | ダブル | - | - | - | - | - | - | - | 3 | 4 | 0.25 | 132 | 200 | 10000 | 0.5° | 0.03 | ±0.08 | 10 | 0.08×10^-6 | 4 |
| LAD-12C-3×5 | ダブル | - | - | - | - | - | - | - | 3 | 5 | 0.25 | 132 | 200 | 10000 | 0.5° | 0.03 | ±0.08 | 10 | 0.08×10^-6 | 4 |
| LAD-12C-4×4 | ダブル | - | - | - | - | - | - | - | 4 | 4 | 0.25 | 132 | 200 | 10000 | 0.5° | 0.03 | ±0.08 | 10 | 0.08×10^-6 | 4 |
| LAD-12C-4×5 | ダブル | - | - | - | - | - | - | - | 4 | 5 | 0.25 | 132 | 200 | 10000 | 0.5° | 0.03 | ±0.08 | 10 | 0.08×10^-6 | 4 |
| LAD-12C-5×5 | ダブル | - | - | - | - | - | - | - | 5 | 5 | 0.25 | 132 | 200 | 10000 | 0.5° | 0.03 | ±0.08 | 10 | 0.08×10^-6 | 4 |
| LAD-15C-3×3 | ダブル | 15 | 3.5 | 20 | 10 | 7.7 | 4.6 | M2 | 3 | 3 | 0.6 | 196 | 700 | 10000 | 0.5° | 0.03 | ±0.09 | 88 | 0.25×10^-6 | 8 |
| LAD-15C-3×4 | ダブル | 15 | 3.5 | 20 | 10 | 7.7 | 4.6 | M2 | 3 | 4 | 0.6 | 196 | 700 | 10000 | 0.5° | 0.03 | ±0.09 | 88 | 0.25×10^-6 | 8 |
| LAD-15C-3×5 | ダブル | 15 | 3.5 | 20 | 10 | 7.7 | 4.6 | M2 | 3 | 5 | 0.6 | 196 | 700 | 10000 | 0.5° | 0.03 | ±0.09 | 88 | 0.25×10^-6 | 8 |
| LAD-15C-4×4 | ダブル | 15 | 3.5 | 20 | 10 | 7.7 | 4.6 | M2 | 4 | 4 | 0.6 | 196 | 700 | 10000 | 0.5° | 0.03 | ±0.09 | 88 | 0.25×10^-6 | 8 |
| 型式 | 商品コード | 単位 |
価格 (円) |
基準納期 | |
|---|---|---|---|---|---|
| 日伝 | メーカー | ||||
| LAD-12C-3×3 | LAD-12C-3-3 | P | 6,200 | - | 6日間 |
| LAD-12C-3×4 | LAD-12C-3-4 | P | 6,200 | - | 6日間 |
| LAD-12C-3×5 | LAD-12C-3-5 | P | 6,200 | - | 6日間 |
| LAD-12C-4×4 | LAD-12C-4-4 | P | 6,200 | - | 6日間 |
| LAD-12C-4×5 | LAD-12C-4-5 | P | 6,200 | - | 6日間 |
| LAD-12C-5×5 | LAD-12C-5-5 | P | 6,200 | - | 6日間 |
| LAD-15C-3×3 | LAD-15C-3-3 | P | 4,900 | - | 6日間 |
| LAD-15C-3×4 | LAD-15C-3-4 | P | 4,900 | - | 6日間 |
| LAD-15C-3×5 | LAD-15C-3-5 | P | 4,900 | - | 6日間 |
| LAD-15C-4×4 | LAD-15C-4-4 | P | 4,900 | - | 6日間 |
製品についてのご質問やお困りごとなどお気軽にご相談ください!