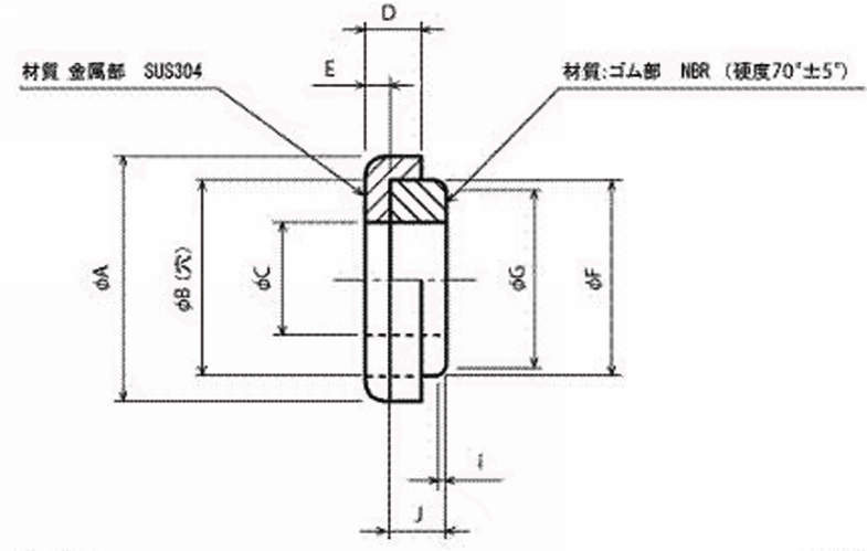
・ステンの絞り座金にゴムパッキンが組込まれ、締付けてもゴムが逃げにくく、ボルトのねじ山部にゴムが圧着されシールします。1平方センチ当たり200kgの耐圧試験に合格しています。黒皮鋼、鋳物の鋳肌に直接使用しても性能を発揮し、防振、防音効果があります。
・ボルト締付け部からの気体、液体の漏れを防止しますので、原動機、ポンプ、自動車、油圧空圧機器、工業機械、自動制御機器、空調機器、各種プラント、海洋開発機器などに使用します。
共通仕様
| シリーズ | シール座金 |
|---|---|
| 材質 | SUS304+NBR |
| 表面処理 | 生地 |

