・V字形状の2平面を軌道溝とした2本の軌道台の間に円筒ころを交互に直行させた保持器付き円筒ころを組み込んでいるため、あらゆる方向の荷重を受けることができます。
・内側の2本の軌道台を一体構造にしたモージュール形です。
・軌道台の取付穴はざぐり加工とめねじ加工が施されているため、取付構造も制約されることがありません。
共通仕様
| タイプ | モジュール形 |
|---|---|
| 材質 | 炭素鋼製 |
日本トムソン
・V字形状の2平面を軌道溝とした2本の軌道台の間に円筒ころを交互に直行させた保持器付き円筒ころを組み込んでいるため、あらゆる方向の荷重を受けることができます。
・内側の2本の軌道台を一体構造にしたモージュール形です。
・軌道台の取付穴はざぐり加工とめねじ加工が施されているため、取付構造も制約されることがありません。
| タイプ | モジュール形 |
|---|---|
| 材質 | 炭素鋼製 |
40件の型式
| 型式 | 材質 | 主要寸法(mm) | 主要寸法(mm) |
基本動 定格荷重 C(N) |
基本静 定格荷重 C0(N) |
許容 荷重 F(N) |
||||||||||||||||||
|---|---|---|---|---|---|---|---|---|---|---|---|---|---|---|---|---|---|---|---|---|---|---|---|---|
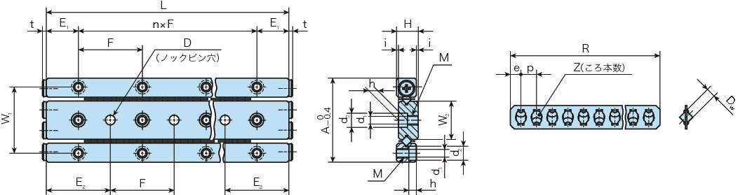
| A | H | L | n×F | i | Dw | R | Z | p | e | W1 | W2 | E1 | E2 | M | d1 | d2 | h | D | t | |||||
| CRWM1-20 | 炭素鋼製 | 17 | 4.5 | 20 | 1×10 | 0.5 | 1.5 | 16.5 | 5 | 3 | 2.25 | 13.4 | 7.8 | 5 | 10 | M2 | 1.65 | 3 | 1.4 | 2 | 1.7 | 125 | 120 | 39.8 |
| CRWM1-30 | 炭素鋼製 | 17 | 4.5 | 30 | 2×10 | 0.5 | 1.5 | 25.5 | 8 | 3 | 2.25 | 13.4 | 7.8 | 5 | 10 | M2 | 1.65 | 3 | 1.4 | 2 | 1.7 | 125 | 120 | 39.8 |
| CRWM1-40 | 炭素鋼製 | 17 | 4.5 | 40 | 3×10 | 0.5 | 1.5 | 31.5 | 10 | 3 | 2.25 | 13.4 | 7.8 | 5 | 10 | M2 | 1.65 | 3 | 1.4 | 2 | 1.7 | 125 | 120 | 39.8 |
| CRWM1-50 | 炭素鋼製 | 17 | 4.5 | 50 | 4×10 | 0.5 | 1.5 | 37.5 | 12 | 3 | 2.25 | 13.4 | 7.8 | 5 | 10 | M2 | 1.65 | 3 | 1.4 | 2 | 1.7 | 125 | 120 | 39.8 |
| CRWM1-60 | 炭素鋼製 | 17 | 4.5 | 60 | 5×10 | 0.5 | 1.5 | 43.5 | 14 | 3 | 2.25 | 13.4 | 7.8 | 5 | 10 | M2 | 1.65 | 3 | 1.4 | 2 | 1.7 | 125 | 120 | 39.8 |
| CRWM1-70 | 炭素鋼製 | 17 | 4.5 | 70 | 6×10 | 0.5 | 1.5 | 52.5 | 17 | 3 | 2.25 | 13.4 | 7.8 | 5 | 10 | M2 | 1.65 | 3 | 1.4 | 2 | 1.7 | 125 | 120 | 39.8 |
| CRWM1-80 | 炭素鋼製 | 17 | 4.5 | 80 | 7×10 | 0.5 | 1.5 | 61.5 | 20 | 3 | 2.25 | 13.4 | 7.8 | 5 | 10 | M2 | 1.65 | 3 | 1.4 | 2 | 1.7 | 125 | 120 | 39.8 |
| CRWM2-30 | 炭素鋼製 | 24 | 6.5 | 30 | 1×15 | 0.5 | 2 | 29.6 | 7 | 4 | 2.8 | 19 | 11 | 7.5 | 15 | M3 | 2.55 | 4.4 | 2 | 3 | 1.5 | 293 | 294 | 97.9 |
| CRWM2-45 | 炭素鋼製 | 24 | 6.5 | 45 | 2×15 | 0.5 | 2 | 41.6 | 10 | 4 | 2.8 | 19 | 11 | 7.5 | 15 | M3 | 2.55 | 4.4 | 2 | 3 | 1.5 | 293 | 294 | 97.9 |
| CRWM2-60 | 炭素鋼製 | 24 | 6.5 | 60 | 3×15 | 0.5 | 2 | 53.6 | 13 | 4 | 2.8 | 19 | 11 | 7.5 | 15 | M3 | 2.55 | 4.4 | 2 | 3 | 1.5 | 293 | 294 | 97.9 |
・定格荷重 及び 許容荷重は、円筒ころ1本当りの荷重を示します。
| 型式 | 商品コード | 単位 |
価格 (円) |
基準納期 | |
|---|---|---|---|---|---|
| 日伝 | メーカー | ||||
| CRWM1-20 | CRWM1-20 | P | 16,000 | 在庫品 | 在庫品 |
| CRWM1-30 | CRWM1-30 | P | 18,200 | - | 在庫品 |
| CRWM1-40 | CRWM1-40 | P | 20,500 | - | 在庫品 |
| CRWM1-50 | CRWM1-50 | P | 22,700 | - | 在庫品 |
| CRWM1-60 | CRWM1-60 | P | 25,000 | - | 在庫品 |
| CRWM1-70 | CRWM1-70 | P | 27,200 | - | 在庫品 |
| CRWM1-80 | CRWM1-80 | P | 29,600 | - | 在庫品 |
| CRWM2-30 | CRWM2-30 | P | 16,000 | 在庫品 | 在庫品 |
| CRWM2-45 | CRWM2-45 | P | 18,200 | 在庫品 | 在庫品 |
| CRWM2-60 | CRWM2-60 | P | 20,500 | 在庫品 | 在庫品 |
・この軸受は通常並列で使用するため価格は軌道台4本・保持器付円筒コロ2本を1組とした価格です。
製品についてのご質問やお困りごとなどお気軽にご相談ください!