ソフトタッチで、握り易い。
・側面4箇所には、滑り止めの窪みが設けてあり、さらにノブ表面には、エラストマー(TPE)被覆が施されておりますので、ソフトタッチな感覚で快適な操作性が得られます。
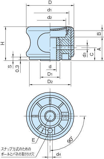
・別売品のボール&バネ<CLB>を取付けてスナップ方式でご利用になれます。
・ボス穴の表は、取付け後に付属品のセンターキャップで簡単に被う事ができます。
・下穴は加工済みです。
・キャップの色がご指定できますので、色コードをご指定ください。
・キャップは搬送中の傷や汚れから保護する為、別々の梱包しますので、お客様にて組みつけてご使用ください。
共通仕様
| ノブ | ポリアミド(ガラス繊維強化) 熱可塑性エラストマー(TPE)被覆 つや消しブラック |
|---|---|
| インサート | SUM24L 四三酸化鉄皮膜 |
| センターキャップ | ポリアミド つや消しブラック、つや消しオレンジ、つや消しグレー、つや消しイエロー、つや消しライトブルー、つや消しレッド |

