モノづくりの困ったを解決する総合サイト

Produced by

小原歯車工業

はすば歯車|歯研はすば歯車 KHG [Eシリーズ]

KHG [Eシリーズ]

  • KHG [Eシリーズ]

■歯研はすば歯車 KHG
・はすば歯車は、静粛回転、コンパクト設計、経済性等を考慮した製品で、工作機械、減速機等、あらゆる産業機械の高速回転を必要とするところに対応できる歯車です。
・精度、強度、耐摩耗性、静粛性が優れ、追加工が可能です。
・平歯車と同様の中心距離で使用できます。

■歯車締結の悩みを解決!
・歯車と軸との取付時間の削減したい。(組立時間5分程度KHK調べ)取外しの際も同様の作業時間が掛かります。
・歯車と軸の組付け振れを小さくしたい。
・歯車と軸とのバックラッシを小さくしたい。
・フレッティング摩耗(軸ヤセや焼付き)による軸強度の低下を低減したい。
・位相合わせ、位置決めの簡素化をしたい。

■ETP-EPlusの動作原理
・チャンバー内に封入されている圧力媒体は、プレッシャースクリューの締め込みにより加圧されてスリーブ内に移行します。
・この圧力媒体の加圧で、スリーブは内部から圧力を受け、軸側スリーブは収縮し、ハブ側スリーブは拡張し、軸とハブはスリーブを介して締結されます。

#はすば歯車

共通仕様

精度等級 JIS N6級相当品 (JIS B 1702-1:1998)
歯車基準断面 軸直角
歯形 並歯
正面圧力角 20°
ねじれ角 20°30’
材料 SCM440
熱処理 調質、歯面高周波焼入れ
歯面硬度 50~60HRC
表面処理 歯部以外黒染

CADメーカーTOP

詳細仕様

  • 282件中 1-10件

  • 表示件数

282件の型式

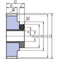
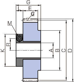
型式 モジュール
m
歯数 ねじれ
方向
形状 穴径
A
(mm)
ボス径
B
(mm)
基準円直径
C
(mm)
歯先円直径
D
(mm)
歯幅
E
(mm)
ETP部(mm) 許容トルク(N・m) 許容トルク(kgf・m) ねじM
締め付けトルク
(N・m)
ETP
許容締結トルク
(N・m)
ETP
許容スラスト力
(N)
ETP
許容ラジアル荷重
(N)
バックラッシ
(mm)
G K R L ねじM 曲げ強さ 歯面強さ 曲げ強さ 歯面強さ
KHG1.5-24RE15 1.5 24 R S1EA・S1EB 15 28 36 39 12 37 50 15.1 14 1-M10 30.9 25.3 3.15 2.58 7 46 5100 500 0.08~0.16
KHG1.5-24LE15 1.5 24 L S1EA・S1EB 15 28 36 39 12 37 50 15.1 14 1-M10 30.9 25.3 3.15 2.58 7 46 5100 500 0.08~0.16
KHG1.5-30RE15 1.5 30 R S1EA・S1EB 15 38 45 48 12 37 50 15.1 14 1-M10 41.8 41.6 4.26 4.24 7 46 5100 500 0.08~0.16
KHG1.5-30LE15 1.5 30 L S1EA・S1EB 15 38 45 48 12 37 50 15.1 14 1-M10 41.8 41.6 4.26 4.24 7 46 5100 500 0.08~0.16
KHG1.5-32RE15 1.5 32 R S1EA・S1EB 15 40 48 51 12 37 50 15.1 14 1-M10 45.5 48.0 4.64 4.89 7 46 5100 500 0.08~0.16
KHG1.5-32LE15 1.5 32 L S1EA・S1EB 15 40 48 51 12 37 50 15.1 14 1-M10 45.5 48.0 4.64 4.89 7 46 5100 500 0.08~0.16
KHG1.5-36RE15 1.5 36 R S1EA・S1EB 15 45 54 57 12 37 50 15.1 14 1-M10 52.9 62.2 5.40 6.35 7 46 5100 500 0.08~0.16
KHG1.5-36LE15 1.5 36 L S1EA・S1EB 15 45 54 57 12 37 50 15.1 14 1-M10 52.9 62.2 5.40 6.35 7 46 5100 500 0.08~0.16
KHG1.5-40RE15 1.5 40 R S1EA・S1EB 15 50 60 63 12 37 50 15.1 14 1-M10 60.5 78.5 6.17 8.00 7 46 5100 500 0.08~0.16
KHG1.5-40LE15 1.5 40 L S1EA・S1EB 15 50 60 63 12 37 50 15.1 14 1-M10 60.5 78.5 6.17 8.00 7 46 5100 500 0.08~0.16

型式 商品コード 単位 価格
(円)
基準納期
日伝 メーカー
KHG1.5-24RE15 KHG1.5-24RE15 P 26,560 - 5日間
KHG1.5-24LE15 KHG1.5-24LE15 P 26,560 - 5日間
KHG1.5-30RE15 KHG1.5-30RE15 P 27,340 - 5日間
KHG1.5-30LE15 KHG1.5-30LE15 P 27,340 - 5日間
KHG1.5-32RE15 KHG1.5-32RE15 P 27,930 - 5日間
KHG1.5-32LE15 KHG1.5-32LE15 P 27,930 - 5日間
KHG1.5-36RE15 KHG1.5-36RE15 P 28,410 - 5日間
KHG1.5-36LE15 KHG1.5-36LE15 P 28,410 - 5日間
KHG1.5-40RE15 KHG1.5-40RE15 P 28,760 - 5日間
KHG1.5-40LE15 KHG1.5-40LE15 P 28,760 - 5日間

この製品を見た人はこのような製品も見ています

1952年設立で、動力伝導機器・産業機器・制御機器等の機械設備及び機械器具関連製品の販売をしている専門総合商社です。
日本国内で40以上の拠点を持ち、信頼性の高い製品と技術力で、全国のものづくりに携わる方々のあらゆるお困りごとを解決しています。

Loading...