MOT-C
-
MOT-C
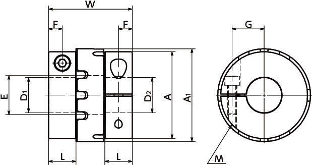
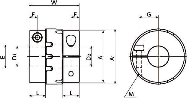
・日本工作機械工業会における団体規格(TES 1403)に準拠したオルダムタイプのフレキシブルカップリングです。
・ハブとスペーサがスリップすることにより、大きな偏心・偏角を許容します。
・ミスアライメントにより発生する偏心反力が小さく、軸への負担を軽減します。
・シンプル構造で組み立てが簡単です。
<用途>
・搬送コンベア/攪拌機/ポンプ
共通仕様
| ハブ | A2017 アルマイト処理 |
|---|---|
| スペーサ | ポリアセタール |
| 六角穴付き止めねじ | SCM435 四三酸化鉄皮膜(黒) |
| 六角穴付きボルト | SCM435 四三酸化鉄皮膜(黒) |

