・ミニチュアリニアガイドウェイ用。
・テーブルの保持・位置ぎめ・びびり防止に。
・常時開(Normally Open)タイプです。
空気供給時:リニアガイドウェイのレールをクランプします。
排気時:クランプを開放します。
共通仕様
| 制御方式 | 空気圧・常時開 |
|---|---|
| 最低使用圧力 | 0.3MPa |
| 最高使用圧力 | 0.6MPa |
| レスポンスタイム | max.0.06s |
| 使用温度 | 0℃~70℃ |
| 適用レールの呼び | #9~#25 |
鍋屋バイテック会社
・ミニチュアリニアガイドウェイ用。
・テーブルの保持・位置ぎめ・びびり防止に。
・常時開(Normally Open)タイプです。
空気供給時:リニアガイドウェイのレールをクランプします。
排気時:クランプを開放します。
| 制御方式 | 空気圧・常時開 |
|---|---|
| 最低使用圧力 | 0.3MPa |
| 最高使用圧力 | 0.6MPa |
| レスポンスタイム | max.0.06s |
| 使用温度 | 0℃~70℃ |
| 適用レールの呼び | #9~#25 |
10件の型式
| 型式 |
保持力 (N) |
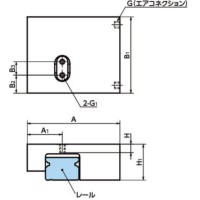
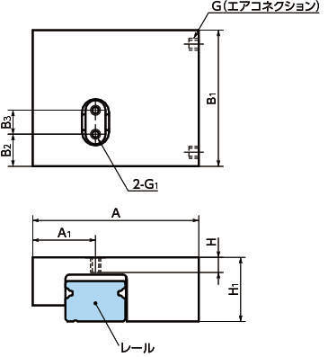
A | A1 | B1 | B2 | B3 | G | G1 | H | H1 |
質量 (kg) |
|---|---|---|---|---|---|---|---|---|---|---|---|
| MCP-0901-A | 130 | 32.5 | 9.7 | 34 | 8.25 | 5.5 | M3 | M2.5 | 3.3 | 15 | 0.07 |
| MCP-1201-A | 280 | 37.5 | 13.2 | 34 | 8.25 | 5.5 | M3 | M2.5 | 3.5 | 16 | 0.085 |
| MCP-1205-A | 280 | 37.5 | 13.2 | 34 | 8.25 | 5.5 | M3 | M2.5 | 3.5 | 16 | 0.085 |
| MCP-1504-A | 320 | 41.5 | 15.7 | 34 | 8 | 6 | M3 | M2.5 | 3.8 | 16 | 0.096 |
| MCP-1505-A | 320 | 41.5 | 15.7 | 34 | 8 | 6 | M3 | M2.5 | 3.8 | 16 | 0.096 |
| MCP-2001-A | 550 | 48.7 | 19.7 | 41 | 10.5 | 8 | M3 | M4 | 6.2 | 23 | 0.202 |
| MCP-0901-H | 130 | 32.5 | 9.7 | 34 | 8.25 | 5.5 | M3 | M2.5 | 3.3 | 15 | 0.07 |
| MCP-1501-H | 320 | 41.5 | 15.7 | 34 | 8 | 6 | M3 | M2.5 | 3.8 | 16 | 0.096 |
| MCP-1201-M | 280 | 37.5 | 13.2 | 34 | 8.25 | 5.5 | M3 | M2.5 | 3.5 | 16 | 0.085 |
| MCP-1501-M | 320 | 41.5 | 15.7 | 34 | 8 | 6 | M3 | M2.5 | 3.8 | 16 | 0.096 |
・圧力が0.6MPaのときの値です。保持力は0.2MPa~0.8MPaの範囲では圧力に比例します。
| 型式 | 商品コード | 単位 |
価格 (円) |
基準納期 | |
|---|---|---|---|---|---|
| 日伝 | メーカー | ||||
| MCP-0901-A | MCP-0901-A | P | 66,500 | - | 在庫品 |
| MCP-1201-A | MCP-1201-A | P | 68,800 | - | 在庫品 |
| MCP-1205-A | MCP-1205-A | P | 68,800 | - | - |
| MCP-1504-A | MCP-1504-A | P | 72,400 | - | 在庫品 |
| MCP-1505-A | MCP-1505-A | P | 72,400 | - | - |
| MCP-2001-A | MCP-2001-A | P | 84,500 | - | - |
| MCP-0901-H | MCP-0901-H | P | 66,500 | - | 在庫品 |
| MCP-1501-H | MCP-1501-H | P | 72,400 | - | 在庫品 |
| MCP-1201-M | MCP-1201-M | P | 68,800 | - | - |
| MCP-1501-M | MCP-1501-M | P | 72,400 | - | - |
製品についてのご質問やお困りごとなどお気軽にご相談ください!