モノづくりの困ったを解決する総合サイト

Produced by

鍋屋バイテック会社

ネジコム(脱落防止ねじ・全ねじ)|六角穴付き低頭脱落防止ねじ SSCLS

・六角穴付き低頭ボルトの脱落防止ねじ。
・ねじの脱落・紛失を防止します。
・パネルに取りつけたねじをフレームからはずしたとき、ねじが抜け落ちることがありません。
・機器・装置のコンパクト化や安全性の向上に。
・取りつけ・取りはずしが頻繁なカバーパネルの固定などの用途に。

#ボルト・ナット・ワッシャー

共通仕様

材質・仕上げ SUS304相当
強度区分 A2-50

CADメーカーTOP

詳細仕様

  • 23件中 1-10件

  • 表示件数

23件の型式

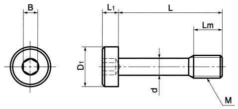
型式 M L Lm D1 L1 B d
(-0.3~0)
質量
(g)
1袋
入り数
SSCLS-M3-8 M3 8 4 5.5 2 2 2.2 0.7 1
SSCLS-M3-10 M3 10 4 5.5 2 2 2.2 0.7 1
SSCLS-M3-12 M3 12 4 5.5 2 2 2.2 0.8 1
SSCLS-M3-16 M3 16 4 5.5 2 2 2.2 0.8 1
SSCLS-M4-10 M4 10 5 7 2.8 2.5 3 1.3 1
SSCLS-M4-12 M4 12 5 7 2.8 2.5 3 1.4 1
SSCLS-M4-16 M4 16 5 7 2.8 2.5 3 1.5 1
SSCLS-M4-20 M4 20 5 7 2.8 2.5 3 1.7 1
SSCLS-M5-12 M5 12 6 8.5 3.5 3 3.9 2.4 1
SSCLS-M5-16 M5 16 6 8.5 3.5 3 3.9 2.8 1

この製品を見た人はこのような製品も見ています

1952年設立で、動力伝導機器・産業機器・制御機器等の機械設備及び機械器具関連製品の販売をしている専門総合商社です。
日本国内で40以上の拠点を持ち、信頼性の高い製品と技術力で、全国のものづくりに携わる方々のあらゆるお困りごとを解決しています。

Loading...