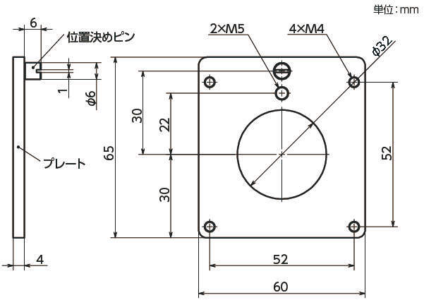
・高トルクアダプタEOAT-200専用のアダプタプレート。
・装置についているデジタルポジショニングインジケータとハンドルをハンドル自動化ユニットに置き換える場合、装置側のデジタルポジショニングインジケータ位置決めピン用の穴をそのまま利用して、高トルクアダプタを取りつけることができます。
共通仕様
| 材質/仕上げ | プレート・位置決めピン:アルミニウム合金 |
|---|
鍋屋バイテック会社
・高トルクアダプタEOAT-200専用のアダプタプレート。
・装置についているデジタルポジショニングインジケータとハンドルをハンドル自動化ユニットに置き換える場合、装置側のデジタルポジショニングインジケータ位置決めピン用の穴をそのまま利用して、高トルクアダプタを取りつけることができます。
| 材質/仕上げ | プレート・位置決めピン:アルミニウム合金 |
|---|
1件の型式
| 型式 |
質量 (g) |
|---|---|
| EOTAP-200 | 33 |
| 型式 | 商品コード | 単位 |
価格 (円) |
基準納期 | |
|---|---|---|---|---|---|
| 日伝 | メーカー | ||||
| EOTAP-200 | EOTAP-200 | P | 3,350 | - | 在庫品 |
製品についてのご質問やお困りごとなどお気軽にご相談ください!