SVSHL-SD
-
SVSHL-SD
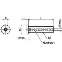
・ガス抜き穴つきの極低頭小頭ボルト。
・ガス抜き穴が機器・装置のねじ穴の底に溜まったガスを排出しやすくし、真空装置の真空引きをサポートします。
・頭部径が小さいため、通常の六角穴付き極低頭ボルトよりザグリ穴を小さくできます。
・SUS316Lは、SUS304にMoを添加して耐孔食性・耐酸化性を高め、さらに低炭素化による耐粒界腐食性も高めたステンレスです。また、化学薬品・海洋環境などに対して、SUS304以上の耐蝕性を発揮します。
・非磁性。
・クリーン洗浄・クリーン梱包済み。
<用途>
真空装置/真空容器/FPD製造装置/半導体製造装置/電子顕微鏡
共通仕様
| 本体 | SUS316L |
|---|---|
| 強度区分 | A4-70 |

