SVSHT-SD
-
SVSHT-SD
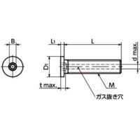
・ガス抜き穴つきの極低頭小頭ボルト。
・ガス抜き穴が機器・装置のねじ穴の底に溜まったガスを排出しやすくし、真空装置の真空引きをサポートします。
・頭部高さはすべて1.5mm以下。機器・装置のコンパクト化や上部スペースが限られた用途に。
・頭部径が小さいため、通常の六角穴付き極低頭ボルトよりザグリ穴径を小さくできます。
・比重はステンレス鋼の約60%。
・非磁性。
・すぐれた耐薬品性・耐海水性。
・特殊化学研磨・光輝処理により表面を改質。さらにクリーン洗浄・クリーン梱包済み。油やゴミの付着がないクリーン仕様です。
<用途>
・真空装置/真空容器/FPD製造装置/半導体製造装置/電子顕微鏡
共通仕様
| 本体 | TW340(チタン2種) |
|---|

