モノづくりの困ったを解決する総合サイト

Produced by

鍋屋バイテック会社

ネジコム(いたずら防止ねじ)|座金組込みヘクサロビュラ穴付きなべ小ねじ(ピンつき) SRTSQ-TZB

SRTSQ-TZB

  • SRTSQ-TZB

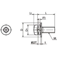
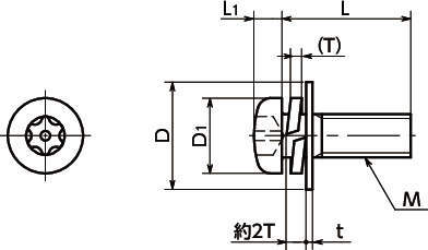
・ヘクサロビュラ穴の中央にピンのついた座金組込みなべ小ねじ。
・ねじに旧JISの平座金とばね座金が組み込まれており、脱落の心配がありません。(座金の略称:P=3)
・ザグリ穴に座金を使用する場合に、ボルトと座金を同時に着脱することができるため、作業性が向上します。
・通常の工具では、取りつけ・取りはずしができません。
・取りつけ・取りはずしには専用レンチ「SRX」もしくは、専用ビット「SRXB」と専用マグネットドライバ「SRD」を組み合わせてご使用ください。

<用途>
・機器・装置の分解・いたずら防止
・屋外設備の盗難防止
・セキュリティー対策
・安全対策

#ボルト・ナット・ワッシャー

共通仕様

ねじ本体 スティール
三価クロメート処理
ねじ本体強度区分 4.8相当
平座金 スティール
三価クロメート処理
ばね座金 スティール
三価クロメート処理

CADメーカーTOP

詳細仕様

  • 12件中 1-10件

  • 表示件数

12件の型式

型式 M(並目) L
(mm)
D1
(mm)
D
(mm)
L1
(mm)
t
(mm)
T(約)
(mm)
適用レンチ 適用マグネット
ドライバ
ヘクサロビュラ穴
の番号No.
1袋
入り数
質量(g)
ねじの呼び ピッチ
SRTSQ-M2-5-TZB M2 0.4 5 3.5 5 1.3 0.3 0.7 - SRD-6.35 6 20 0.24
SRTSQ-M2-6-TZB M2 0.4 6 3.5 5 1.3 0.3 0.7 - SRD-6.35 6 20 0.26
SRTSQ-M2-8-TZB M2 0.4 8 3.5 5 1.3 0.3 0.7 - SRD-6.35 6 20 0.27
SRTSQ-M2.6-5-TZB M2.6 0.45 5 4.5 6.5 1.7 0.5 0.7 - SRD-6.35 8 20 0.45
SRTSQ-M2.6-6-TZB M2.6 0.45 6 4.5 6.5 1.7 0.5 0.7 - SRD-6.35 8 20 0.48
SRTSQ-M2.6-8-TZB M2.6 0.45 8 4.5 6.5 1.7 0.5 0.7 - SRD-6.35 8 20 0.57
SRTSQ-M3-6-TZB M3 0.5 6 5.5 7 2 0.5 0.7 SRX-10 SRD-6.35 10 20 0.68
SRTSQ-M3-8-TZB M3 0.5 8 5.5 7 2 0.5 0.7 SRX-10 SRD-6.35 10 20 0.75
SRTSQ-M3-10-TZB M3 0.5 10 5.5 7 2 0.5 0.7 SRX-10 SRD-6.35 10 20 0.87
SRTSQ-M4-8-TZB M4 0.7 8 7 9 2.6 0.8 1 SRX-20 SRD-6.35 20 20 1.61

この製品を見た人はこのような製品も見ています

1952年設立で、動力伝導機器・産業機器・制御機器等の機械設備及び機械器具関連製品の販売をしている専門総合商社です。
日本国内で40以上の拠点を持ち、信頼性の高い製品と技術力で、全国のものづくりに携わる方々のあらゆるお困りごとを解決しています。

Loading...