SRTSQ-TZB
-
SRTSQ-TZB
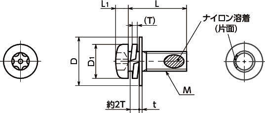
・ヘクサロビュラ穴の中央にピンのついた座金組込みなべ小ねじ。
・ねじに旧JISの平座金とバネ座金が組み込まれており、脱落の心配がありません。(座金の略称:P=3)
・ザグリ穴に座金を使用する場合に、ボルトと座金を同時に着脱することができるため、作業性が向上します。
・ねじ部に溶着したナイロンの摩擦によってねじの戻り回転が抑制されるため、ねじの脱落を防止します。
・ナイロン溶着の耐熱温度は120℃です。
・通常の工具では、取りつけ・取りはずしができません。
・取りつけ・取りはずしには専用レンチ「SRX」もしくは、専用ビット「SRXB」と専用マグネットドライバ「SRD」を組み合わせてご使用ください。
<用途>
・機器・装置の分解・いたずら防止
・屋外設備の盗難防止
・セキュリティー対策
・安全対策
・ねじの戻り止め・脱落防止
共通仕様
| ねじ本体 | スティール 三価クロメート処理 |
|---|---|
| ねじ本体強度区分 | 4.8相当 |
| 平座金 | スティール 三価クロメート処理 |
| ばね座金 | スティール 三価クロメート処理 |
| ナイロン溶着 | ナイロン11 |

