一般空気圧用プッシュワン継手(難燃性)
・チューブはプッシュワン接続です。
・無電解ニッケルめっき処理を施しています。
・ホワイトボディが作業環境を明るくします。
・難燃性樹脂(UL94規格V-0相当)採用。
共通仕様
| シリーズ | プッシュワンAシリーズ |
|---|---|
| タイプ | ミリサイズ |
| 使用流体 | 空気 水 |
| 使用温度範囲:空気 | -20℃~+80℃ |
| 使用温度範囲:水 | 0℃~+40℃ |
| 最高使用圧力 | 1.0MPa |
| 負圧性能 | -99.975kPa |
ニッタ
・チューブはプッシュワン接続です。
・無電解ニッケルめっき処理を施しています。
・ホワイトボディが作業環境を明るくします。
・難燃性樹脂(UL94規格V-0相当)採用。
| シリーズ | プッシュワンAシリーズ |
|---|---|
| タイプ | ミリサイズ |
| 使用流体 | 空気 水 |
| 使用温度範囲:空気 | -20℃~+80℃ |
| 使用温度範囲:水 | 0℃~+40℃ |
| 最高使用圧力 | 1.0MPa |
| 負圧性能 | -99.975kPa |
10件の型式
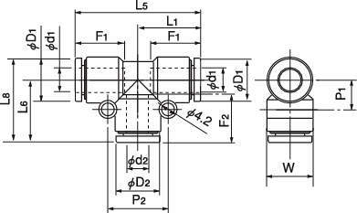
| 型式 | 適用チューブ外径 |
L1 (mm) |
L5 (mm) |
L6 (mm) |
L8 (mm) |
チューブ挿入長さ |
P1 (mm) |
P2 (mm) |
D1 (mm) |
D2 (mm) |
W (mm) |
最小内径 (mm) |
有効断面積 (mm2) |
質量 (g) |
||
|---|---|---|---|---|---|---|---|---|---|---|---|---|---|---|---|---|
| d1 (mm) | d2 (mm) | F1 (mm) | F2 (mm) | |||||||||||||
| AUT4 | 4 | 4 | 17.2 | 34.4 | 17.2 | 22.1 | 13 | 13 | 6.9 | 14.0 | 9.8 | 9.8 | 9.7 | 3.0 | 3.5 | 6.0 |
| AUT4-6 | 4 | 6 | 17.7 | 35.4 | 18.0 | 22.9 | 13 | 15 | 6.8 | 17.0 | 9.8 | 12.6 | 12.5 | 3.0 | 2.5 | 8.0 |
| AUT6 | 6 | 6 | 18.5 | 37.0 | 18.5 | 24.8 | 15 | 15 | 8.3 | 17.0 | 12.6 | 12.6 | 12.5 | 5.0 | 4.5 | 9.0 |
| AUT6-8 | 6 | 8 | 19.5 | 39.0 | 20.4 | 26.7 | 15 | 16 | 8.2 | 19.0 | 12.6 | 14.6 | 14.5 | 5.0 | 15.5 | 11.0 |
| AUT8 | 8 | 8 | 20.7 | 41.4 | 20.7 | 28.0 | 16 | 16 | 9.3 | 19.0 | 14.6 | 14.6 | 14.5 | 7.0 | 19.5 | 13.0 |
| AUT8-10 | 8 | 10 | 21.7 | 43.4 | 24.4 | 31.7 | 16 | 19 | 9.2 | 22.0 | 14.6 | 17.5 | 17.5 | 7.0 | 21.0 | 18.0 |
| AUT10 | 10 | 10 | 24.7 | 49.3 | 24.7 | 33.4 | 19 | 19 | 10.8 | 22.0 | 17.5 | 17.5 | 17.5 | 9.0 | 32.5 | 22.0 |
| AUT10-12 | 10 | 12 | 25.6 | 51.1 | 26.3 | 35.1 | 19 | 20 | 10.8 | 24.0 | 17.5 | 20.0 | 20.0 | 9.0 | 27.0 | 26.0 |
| AUT12 | 12 | 12 | 26.3 | 52.6 | 26.3 | 36.3 | 20 | 20 | 12.1 | 24.0 | 20.0 | 20.0 | 20.0 | 11.0 | 45.5 | 29.0 |
| AUT16 | 16 | 16 | 34.9 | 69.8 | 34.9 | 48.7 | 27 | 27 | 15.9 | 31.7 | 28.0 | 28.0 | 27.5 | 13.0 | 97.0 | 73.0 |
| 型式 | 商品コード | 単位 |
価格 (円) |
基準納期 | |
|---|---|---|---|---|---|
| 日伝 | メーカー | ||||
| AUT4 | AUT4 | P | 511 | 在庫品 | 在庫品 |
| AUT4-6 | AUT4-6 | P | 583 | 在庫品 | 在庫品 |
| AUT6 | AUT6 | P | 542 | 在庫品 | 在庫品 |
| AUT6-8 | AUT6-8 | P | 643 | 在庫品 | 在庫品 |
| AUT8 | AUT8 | P | 627 | 在庫品 | 在庫品 |
| AUT8-10 | AUT8-10 | P | 737 | - | 在庫品 |
| AUT10 | AUT10 | P | 711 | 在庫品 | 在庫品 |
| AUT10-12 | AUT10-12 | P | 874 | 在庫品 | 在庫品 |
| AUT12 | AUT12 | P | 877 | 在庫品 | 在庫品 |
| AUT16 | AUT16 | P | 1,210 | 在庫品 | 在庫品 |
製品についてのご質問やお困りごとなどお気軽にご相談ください!