モノづくりの困ったを解決する総合サイト

Produced by

クイックシール接手(インサートタイプ・黄銅)|サービスティー ST□N

ST□N

  • ST□N

多用途目的配管用ねじ込み式継手

・ねじ込み式です。
・強いシール性能を発揮します。
・JIS B 8381-1995(空気圧用たわみ管の管継手)適合品です。

#チューブ継手
#継手

共通仕様

シリーズ クイックシールシリーズ
タイプ インサートタイプ(黄銅仕様)
使用流体 空気、水、一般作動油
使用温度範囲:空気 ナイロンスリーブ:-40℃~+80℃
黄銅スリーブ:-40℃~+100℃
使用温度範囲:水 ナイロンスリーブ:0℃~+70℃
黄銅スリーブ:0℃~+100℃
使用温度範囲:一般作動油 ナイロンスリーブ:-40℃~+80℃
黄銅スリーブ:-40℃~+100℃
最高使用圧力 5.0MPa
負圧性能 -101.294kPa

詳細仕様

  • 40件中 1-10件

  • 表示件数

40件の型式

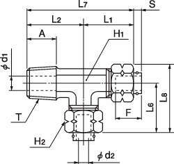
型式 形状 タイプ サイズ グループ 適用チューブ ねじサイズ
T
L1
(mm)
L2
(mm)
L6
(mm)
L7
(mm)
L8
(mm)
A
(mm)
S
(mm)
チューブ挿入長さ
F
(mm)
二面幅(mm) d1
(mm)
最小内径
d2
(mm)
有効
断面積
(mm2)
質量
(g)
外径 内径 H1 H2
ST4N4×2-PT1/8 サービスティー ST4N ミリサイズ グループ4 φ4mm φ2mm R1/8 20.5 18.5 20.5 39.0 26.2 11.0 4.7 15 10 10 5 0.9 0.5 26
ST4N4×2.5-PT1/8 サービスティー ST4N ミリサイズ グループ4 φ4mm φ2.5mm R1/8 20.5 18.5 20.5 39.0 26.2 11.0 4.7 15 10 10 5 1.3 1.5 26
ST4N6×4-PT1/8 サービスティー ST4N ミリサイズ グループ4 φ6mm φ4mm R1/8 20.5 18.5 20.5 39.0 27.4 11.0 4.6 15 10 12 5 2.7 4.5 41
ST4N6×4-PT1/4 サービスティー ST4N ミリサイズ グループ4 φ6mm φ4mm R1/4 23.0 22.0 23.0 45.0 29.9 12.0 4.6 15 12 12 7 2.7 4.5 30
ST4N6×4.5-PT1/8 サービスティー ST4N ミリサイズ グループ4 φ6mm φ4.5mm R1/8 20.5 18.5 20.5 39.0 27.4 11.0 4.6 15 10 12 5 3.2 7 41
ST4N6×4.5-PT1/4 サービスティー ST4N ミリサイズ グループ4 φ6mm φ4.5mm R1/4 23.0 22.0 23.0 45.0 29.9 12.0 4.6 15 12 12 7 3.2 7 43
ST4N8×5-PT1/8 サービスティー ST4N ミリサイズ グループ4 φ8mm φ5mm R1/8 22.9 21.0 22.9 43.9 31.0 11.0 4.6 16 12 14 5 3.7 9 43
ST4N8×5-PT1/4 サービスティー ST4N ミリサイズ グループ4 φ8mm φ5mm R1/4 22.9 22.0 22.9 44.9 31.0 12.0 4.6 16 12 14 7 3.7 9 43
ST4N8×6-PT1/8 サービスティー ST4N ミリサイズ グループ4 φ8mm φ6mm R1/8 22.9 21.0 22.9 43.9 31.0 11.0 4.6 16 12 14 5 4.7 14 45
ST4N8×6-PT1/4 サービスティー ST4N ミリサイズ グループ4 φ8mm φ6mm R1/4 22.9 22.0 22.9 44.9 31.0 12.0 4.6 16 12 14 7 4.7 15 46

型式 商品コード 単位 価格
(円)
基準納期
日伝 メーカー
ST4N4×2-PT1/8 ST4N4-2-PT1/8 P 875 在庫品 在庫品
ST4N4×2.5-PT1/8 ST4N4-2.5-PT1/8 P 875 在庫品 在庫品
ST4N6×4-PT1/8 ST4N6-4-PT1/8 P 794 在庫品 在庫品
ST4N6×4-PT1/4 ST4N6-4-PT1/4 P 998 在庫品 在庫品
ST4N6×4.5-PT1/8 ST4N6-4.5-PT1/8 P 794 - 在庫品
ST4N6×4.5-PT1/4 ST4N6-4.5-PT1/4 P 998 在庫品 在庫品
ST4N8×5-PT1/8 ST4N8-5-PT1/8 P 1,038 - 在庫品
ST4N8×5-PT1/4 ST4N8-5-PT1/4 P 1,038 - 在庫品
ST4N8×6-PT1/8 ST4N8-6-PT1/8 P 1,038 在庫品 在庫品
ST4N8×6-PT1/4 ST4N8-6-PT1/4 P 1,038 在庫品 在庫品

この製品を見た人はこのような製品も見ています

1952年設立で、動力伝導機器・産業機器・制御機器等の機械設備及び機械器具関連製品の販売をしている専門総合商社です。
日本国内で40以上の拠点を持ち、信頼性の高い製品と技術力で、全国のものづくりに携わる方々のあらゆるお困りごとを解決しています。

Loading...