EL
-
EL
-
インチ
共通仕様
| シリーズ | プッシュワンEシリーズ |
|---|---|
| 使用流体 | 空気、水 |
| 使用温度範囲:空気 | -20℃~+80℃ |
| 使用温度範囲:水 | 0℃~+40℃ |
| 最高使用圧力 | 1.0MPa |
| 負圧性能 | -99.975kPa |
ニッタ
EL
EL
インチ
| シリーズ | プッシュワンEシリーズ |
|---|---|
| 使用流体 | 空気、水 |
| 使用温度範囲:空気 | -20℃~+80℃ |
| 使用温度範囲:水 | 0℃~+40℃ |
| 最高使用圧力 | 1.0MPa |
| 負圧性能 | -99.975kPa |
33件の型式
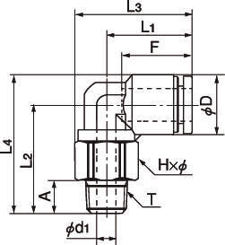
| 型式 | 形状 | タイプ |
適用 チューブ外径 |
ねじサイズ T |
L1 (mm) |
L2 (mm) |
L3 (mm) |
L4 (mm) |
A (mm) |
チューブ挿入長さ F (mm) |
二面幅(mm) |
D (mm) |
d1 (mm) |
最小内径 (mm) |
有効断面積 (mm2) |
質量 (g) |
|---|---|---|---|---|---|---|---|---|---|---|---|---|---|---|---|---|
| H×φ | ||||||||||||||||
| EL4-M5-Z2 | 90°エルボ | ミリサイズ | 4mm | M5×0.8 | 17.2 | 18.3 | 22.7 | 23.2 | 4 | 13 | 10.0×11.0 | 9.8 | 2 | 2 | - | 6 |
| EL4-PT1/8-Z2 | 90°エルボ | ミリサイズ | 4mm | R1/8 | 17.2 | 22.7 | 22.7 | 27.6 | 8 | 13 | 10.0×11.0 | 9.8 | 5 | 3 | - | 10 |
| EL4-PT1/4-Z2 | 90°エルボ | ミリサイズ | 4mm | R1/4 | 17.2 | 24.4 | 24.9 | 29.3 | 12 | 13 | 14.0×15.4 | 9.8 | 5 | 3 | - | 19 |
| EL6-M5-Z2 | 90°エルボ | ミリサイズ | 6mm | M5×0.8 | 18.5 | 22.2 | 25 | 28.5 | 4 | 15 | 12.0×13.0 | 12.6 | 2 | 2 | - | 10 |
| EL6-PT1/8-Z2 | 90°エルボ | ミリサイズ | 6mm | R1/8 | 18.5 | 25.2 | 25 | 31.5 | 8 | 15 | 12.0×13.0 | 12.6 | 5 | 5 | - | 12 |
| EL6-PT1/4-Z2 | 90°エルボ | ミリサイズ | 6mm | R1/4 | 18.5 | 25.8 | 26.2 | 32.1 | 12 | 15 | 14.0×15.4 | 12.6 | 7 | 5 | - | 17 |
| EL6-PT3/8-Z2 | 90°エルボ | ミリサイズ | 6mm | R3/8 | 18.5 | 26.8 | 27.8 | 33.1 | 12 | 15 | 17.0×18.5 | 12.6 | 11 | 5 | - | 27 |
| EL8-PT1/8-Z2 | 90°エルボ | ミリサイズ | 8mm | R1/8 | 20.7 | 26.2 | 28.4 | 33.5 | 8 | 16 | 14.0×15.4 | 14.6 | 5 | 5 | - | 16 |
| EL8-PT1/4-Z2 | 90°エルボ | ミリサイズ | 8mm | R1/4 | 20.7 | 30.2 | 28.4 | 37.5 | 12 | 16 | 14.0×15.4 | 14.6 | 8 | 7 | - | 19 |
| EL8-PT3/8-Z2 | 90°エルボ | ミリサイズ | 8mm | R3/8 | 20.7 | 27.8 | 30 | 35.1 | 12 | 16 | 17.0×18.5 | 14.6 | 9 | 7 | - | 28 |
| 型式 | 商品コード | 単位 |
価格 (円) |
基準納期 | |
|---|---|---|---|---|---|
| 日伝 | メーカー | ||||
| EL4-M5-Z2 | EL4-M5-Z2 | P | 346 | 在庫品 | 在庫品 |
| EL4-PT1/8-Z2 | EL4-PT1/8-Z2 | P | 323 | 在庫品 | 在庫品 |
| EL4-PT1/4-Z2 | EL4-PT1/4-Z2 | P | 361 | 在庫品 | 在庫品 |
| EL6-M5-Z2 | EL6-M5-Z2 | P | 376 | 在庫品 | 在庫品 |
| EL6-PT1/8-Z2 | EL6-PT1/8-Z2 | P | 333 | 在庫品 | 在庫品 |
| EL6-PT1/4-Z2 | EL6-PT1/4-Z2 | P | 361 | 在庫品 | 在庫品 |
| EL6-PT3/8-Z2 | EL6-PT3/8-Z2 | P | 415 | 在庫品 | 在庫品 |
| EL8-PT1/8-Z2 | EL8-PT1/8-Z2 | P | 415 | 在庫品 | 在庫品 |
| EL8-PT1/4-Z2 | EL8-PT1/4-Z2 | P | 415 | 在庫品 | 在庫品 |
| EL8-PT3/8-Z2 | EL8-PT3/8-Z2 | P | 456 | 在庫品 | 在庫品 |
製品についてのご質問やお困りごとなどお気軽にご相談ください!