STM8
-
STM8
・無接点回路で、長期繰り返し使用にも安定動作。
・非常に高い動作点の再現精度を実現できる。
・可動部と検知部を隔離した構造で耐環境仕様も可能。
・非常に小さい操作力仕様にも製作可能。
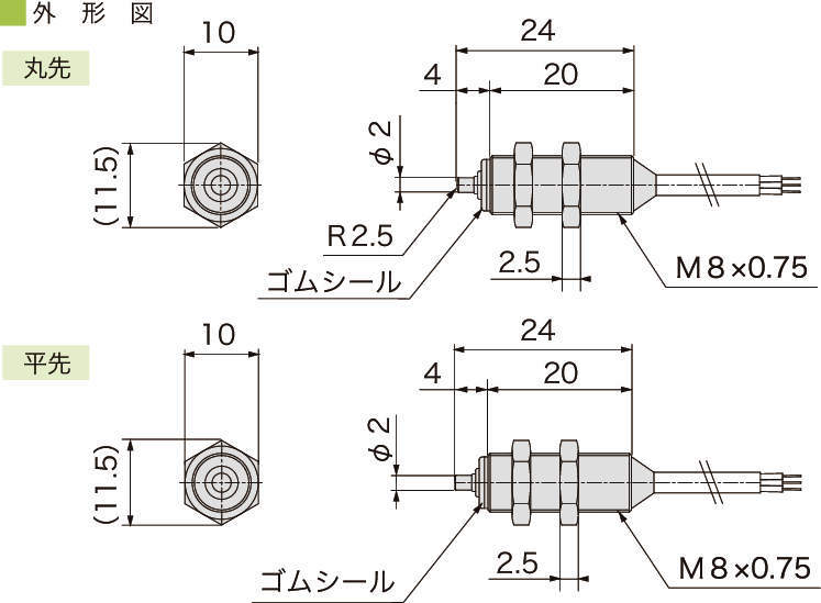
共通仕様
| 耐電圧 | AC1000V(1分間・充電部一括・ケース間) |
|---|---|
| 絶縁抵抗 | DC250V(メガにて 20MΩ以上・対ケース間) |
| 使用周囲温度 | -20℃~+85℃(結露なきこと) |
| 使用周囲湿度 | 20~95%RH |

