モノづくりの困ったを解決する総合サイト

Produced by

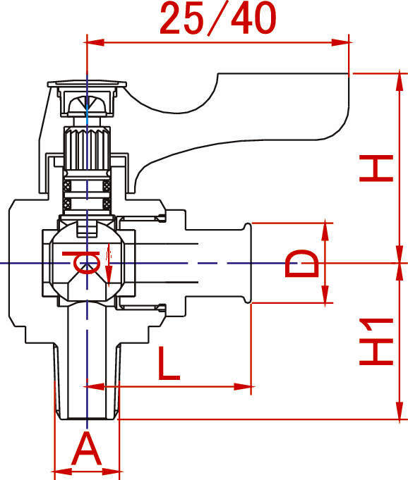
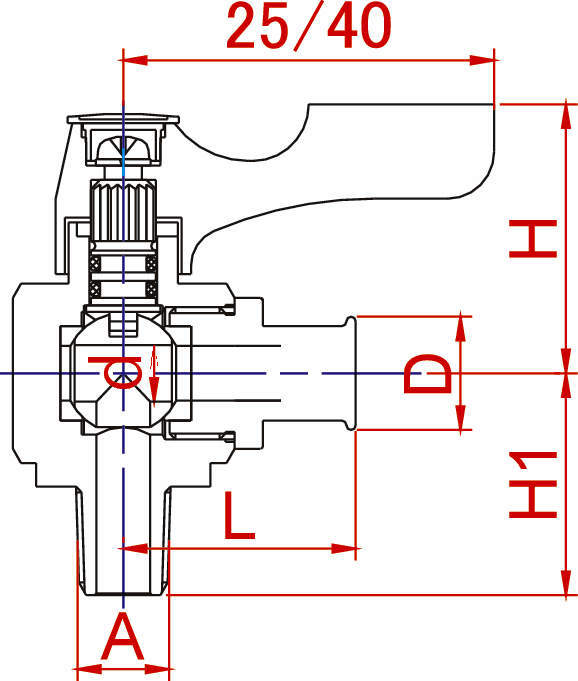
ボールバルブ|Aceball(エースボール) ピーコック型 BD(アングル型)

RoHS品

  • RoHS品

■エースボール アングル
・ボディとソケット部分がアングル(縦型)になったタイプです。
・ハンドルの操作位置を変更することができます。


【エースボールの特長】
■エスボールトは
・ボールバルブと継手を一体化した、機能性に優れた小型ボールバルブです。

■流量損失を最小限に抑えるボールバルブと継手の一体化設計
・ボールバルブと継手の一体化により、流体漏れリスクを最小限に抑えます。
・流体が配管内をほぼストレートに通過するため、圧力損失や流速流量損失を極少に抑え、生産ロス低減と作業の安全性向上を実現します。

■通常の配管接続の他、異径サイズの接続も容易
・エースボールは、一体化設計により配管接続作業の省力化も実現しました。
・異形内・外ソケットなどの接続部品を使用せずバルブの種類を変更することで、異なるサイズの配管を接続可能。
・配管を短く、省スペースに設置できます。

■ボールの真円度を追究し流体漏れを防止。弁箱耐圧検査1.5MPa合格
・シートとボールの密着度を高めるため、ボールの真円度を極限まで追究。
・流体漏れを最小限に抑え、水圧検査1.5MPa、エアー0.6 MPaの検査に合格。
・真円にすることにより本体との摩耗抵抗を抑え、ハンドルがスムーズに回転します。
※ハンドル部は、やや斜めにレイアウトした握りやすい形状設計、90度開閉させるだけで確実に開閉できます。

#バルブ
#ボールバルブ

共通仕様

使用圧力 0.98MPa以下
使用温度 -10℃~+80℃

CADメーカーTOP

詳細仕様

  • 6件中 1-6件

  • 表示件数

6件の型式

型式 品名 取付 タイプ 材質 RoSH指令 φd A φD L H1 H(約)
BD-3100 Aceball 3000シリーズ ピーコック型(外ネジ×ドレン口) アングル型 黄銅製(クロームメッキ) - 6 PT1/8(外) 12 24 24 29
BD-3200 Aceball 3000シリーズ ピーコック型(外ネジ×ドレン口) アングル型 黄銅製(クロームメッキ) - 6 PT1/4(外) 12 24 24 29
BD-3300 Aceball 3000シリーズ ピーコック型(外ネジ×ドレン口) アングル型 黄銅製(クロームメッキ) - 6 PT3/8(外) 12 24 24 29
BD-3100R Aceball 3000シリーズ ピーコック型(外ネジ×ドレン口) アングル型 黄銅製(クロームメッキ) 相当品 6 PT1/8(外) 12 24 24 29
BD-3200R Aceball 3000シリーズ ピーコック型(外ネジ×ドレン口) アングル型 黄銅製(クロームメッキ) 相当品 6 PT1/4(外) 12 24 24 29
BD-3300R Aceball 3000シリーズ ピーコック型(外ネジ×ドレン口) アングル型 黄銅製(クロームメッキ) 相当品 6 PT3/8(外) 12 24 24 29

型式 商品コード 単位 価格
(円)
基準納期
日伝 メーカー
BD-3100 BD-3100 P 2,000 - 在庫品
BD-3200 BD-3200 P 2,000 - 在庫品
BD-3300 BD-3300 P 2,000 - 在庫品
BD-3100R BD-3100R P 2,200 - 在庫品
BD-3200R BD-3200R P 2,200 - 在庫品
BD-3300R BD-3300R P 2,200 - 在庫品

この製品を見た人はこのような製品も見ています

1952年設立で、動力伝導機器・産業機器・制御機器等の機械設備及び機械器具関連製品の販売をしている専門総合商社です。
日本国内で40以上の拠点を持ち、信頼性の高い製品と技術力で、全国のものづくりに携わる方々のあらゆるお困りごとを解決しています。

Loading...