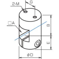
USQ-223~226
-
USQ-223~226
2 個のネジ(軸に直角)でボードや機能器具取付けに
【パイジョンとは】
クランプとパイプを組合わせて形づくる、多目的システムアップパーツです。
【特長】
■スリット締付け構造
・パイプを傷めず六角レンチで組み立てが出来ます。
■繰り返しの着脱が可能
・ジュラルミン材の復元力を活かしています。
■角穴で平面移動や位置再現、ぶれない固定取付けに。
現状に合わせて丸穴とも組合せ。
【応用】
■機械装置・試作・実験・デモ機などのフレーム組立
■機能器具・測定・照明・センサーなどの取付けアーム
■エアブロー・スプレーガンなどの各種器具取付に
■パイジョンとアルミフレームとの組合せに

