Cタイプ
-
Cタイプ
三好キカイ
Cタイプ
Cタイプ
21件の型式
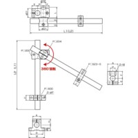
| 型式 | パイプ径 | ベース部 | パイプ公差部1 | パイプ公差部2 | 機器取付部 | パイプ | |||||||||||||||||||||||||
|---|---|---|---|---|---|---|---|---|---|---|---|---|---|---|---|---|---|---|---|---|---|---|---|---|---|---|---|---|---|---|---|
| 型式 | C | B | E | H | A | W | G | 2-φP | 型式 | φD1 | E | P | F | 型式 | φD1 | φD2 | E | F | L | 型式 | E | F | A | C | P | M | 型式 | L1 | L2 | ||
| PCS23C100-100 | φ9 | PC600 | 10 | 6.5 | 11 | 11.5 | 16 | 32 | 24 | φ4.2 | PC200 | 15 | 12 | 10 | 12 | PC204 | 15 | 9 | 12 | 7 | 16 | PC523 | 13 | 15 | 20 | 10 | 8 | 2-M3 | SS0908 | 100 | 100 |
| PCS23C100-200 | φ9 | PC600 | 10 | 6.5 | 11 | 11.5 | 16 | 32 | 24 | φ4.2 | PC200 | 15 | 12 | 10 | 12 | PC204 | 15 | 9 | 12 | 7 | 16 | PC523 | 13 | 15 | 20 | 10 | 8 | 2-M3 | SS0908 | 100 | 200 |
| PCS23C200-200 | φ9 | PC600 | 10 | 6.5 | 11 | 11.5 | 16 | 32 | 24 | φ4.2 | PC200 | 15 | 12 | 10 | 12 | PC204 | 15 | 9 | 12 | 7 | 16 | PC523 | 13 | 15 | 20 | 10 | 8 | 2-M3 | SS0908 | 200 | 200 |
| PFS23C100-100 | φ10 | PF600 | 10 | 6.5 | 11 | 11.5 | 16 | 32 | 24 | φ4.2 | PF200 | 15 | 13 | 11 | 13 | PF204 | 15 | 10 | 13 | 7 | 17 | PF523 | 13 | 15 | 20 | 10 | 8 | 2-M3 | SS1008 | 100 | 100 |
| PFS23C100-200 | φ10 | PF600 | 10 | 6.5 | 11 | 11.5 | 16 | 32 | 24 | φ4.2 | PF200 | 15 | 13 | 11 | 13 | PF204 | 15 | 10 | 13 | 7 | 17 | PF523 | 13 | 15 | 20 | 10 | 8 | 2-M3 | SS1008 | 100 | 200 |
| PFS23C200-200 | φ10 | PF600 | 10 | 6.5 | 11 | 11.5 | 16 | 32 | 24 | φ4.2 | PF200 | 15 | 13 | 11 | 13 | PF204 | 15 | 10 | 13 | 7 | 17 | PF523 | 13 | 15 | 20 | 10 | 8 | 2-M3 | SS1008 | 200 | 200 |
| PGS23C200-200 | φ12 | PG600 | 12 | 7 | 14 | 14 | 20 | 38 | 30 | φ4.2 | PG200 | 22 | 14 | 14 | 14 | PG204 | 22 | 12 | 14 | 9 | 23 | PG523 | 15 | 17 | 25 | 12 | 8 | 2-M3 | SS1208 | 200 | 200 |
| PGS23C200-300 | φ12 | PG600 | 12 | 7 | 14 | 14 | 20 | 38 | 30 | φ4.2 | PG200 | 22 | 14 | 14 | 14 | PG204 | 22 | 12 | 14 | 9 | 23 | PG523 | 15 | 17 | 25 | 12 | 8 | 2-M3 | SS1208 | 200 | 300 |
| PGS23C300-300 | φ12 | PG600 | 12 | 7 | 14 | 14 | 20 | 38 | 30 | φ4.2 | PG200 | 22 | 14 | 14 | 14 | PG204 | 22 | 12 | 14 | 9 | 23 | PG523 | 15 | 17 | 25 | 12 | 8 | 2-M3 | SS1208 | 300 | 300 |
| PJS23C200-200 | φ13 | PJ600 | 10 | 7 | 14 | 14 | 20 | 38 | 30 | φ4.2 | PJ200 | 22 | 14 | 14 | 14 | PJ204 | 22 | 13 | 14 | 9 | 23 | PJ523 | 15 | 17 | 25 | 12 | 8 | 2-M3 | SS1308 | 200 | 200 |
| 型式 | 商品コード | 単位 |
価格 (円) |
基準納期 | |
|---|---|---|---|---|---|
| 日伝 | メーカー | ||||
| PCS23C100-100 | PCS23C100-100 | P | 5,150 | - | - |
| PCS23C100-200 | PCS23C100-200 | P | 5,300 | - | - |
| PCS23C200-200 | PCS23C200-200 | P | 5,440 | - | - |
| PFS23C100-100 | PFS23C100-100 | P | 5,130 | - | - |
| PFS23C100-200 | PFS23C100-200 | P | 5,270 | - | - |
| PFS23C200-200 | PFS23C200-200 | P | 5,430 | - | - |
| PGS23C200-200 | PGS23C200-200 | P | 6,890 | - | - |
| PGS23C200-300 | PGS23C200-300 | P | 7,070 | - | - |
| PGS23C300-300 | PGS23C300-300 | P | 7,240 | - | - |
| PJS23C200-200 | PJS23C200-200 | P | 6,890 | - | - |
製品についてのご質問やお困りごとなどお気軽にご相談ください!