LD-1251FX
-
LD-1251FX
-
LD-4051FX
-
LD-6051FX
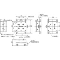
【カメラセンサの位置調整に最適!】位置調整後に動かないステージです
・クランプレスの、位置調整後に動かないステージです。
・特殊機構により、バックラッシを防止しています。
・位置調整は、六角レンチを使用します。
※六角レンチは付属しておりません。お客様にてご用意ください。
・常に位置調整が必要なワークより、むしろカメラやセンサなどの位置調整後に移動させたくないワークに最適です。
・水平設置だけではなく、垂直・逆さ方向の設置も可能です。
共通仕様
| 品名 | XY軸フィックスステージ |
|---|---|
| 移動方向 | XY軸1方向 |
| クランプ方式 | クランプレス |
| 移動ガイド | すり合わせ |
| 平行度 | 0.75mm |
| 主要素材/表面処理 | アルミ合金/黒アルマイト梨地 |
| RoHS指令対応状況 | RoHS指令適合品 |

