LV-4051FX
-
LV-4051FX
-
LV-6051FX
【カメラセンサの位置調整に最適!】位置調整後に動かないステージです
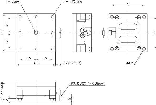
・クランプレスの、位置調整後に動かないステージです。
・特殊機構により、バックラッシを防止しています。
・位置調整は、六角レンチを使用します。
※六角レンチは付属しておりません。お客様にてご用意ください。
・常に位置調整が必要なワークよりもカメラやセンサなどの位置調整後に移動させたくないワークに最適です。
・水平設置だけではなく、垂直・逆さ方向の設置も可能です。
共通仕様
| クランプ方式 | クランプレス |
|---|---|
| 送り方式 | 送りねじP=0.7mm |
| 移動ガイド | すり合わせ |
| 平行度 | 0.1mm |
| 耐荷重 | 24.5N(2.5kgf) |
| 主要材質/表面処理 | アルミ合金/黒アルマイト梨地 |
| RoHS指令対応状況 | RoHS指令適合品 |

