モノづくりの困ったを解決する総合サイト

Produced by

フィックスステージ 手動 ゴニオフィックスステージ

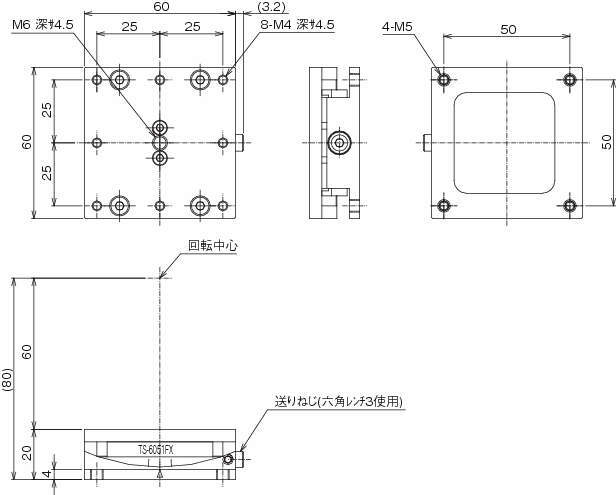
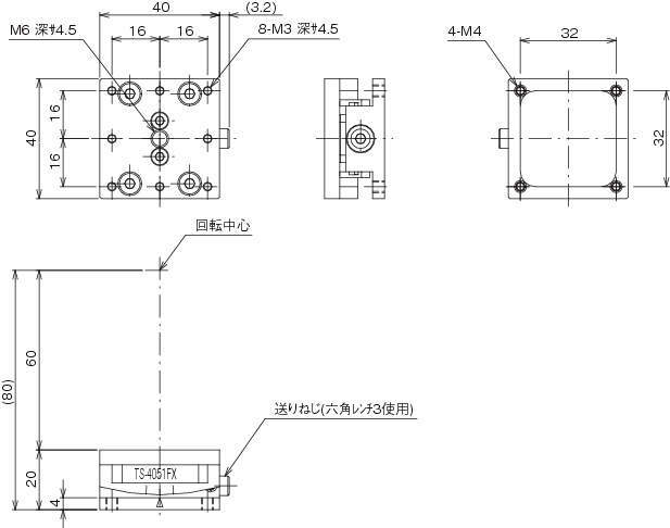
TS-4051FX

  • TS-4051FX

  • TS-4052FX

  • TS-6051FX

  • TS-6052FX

【カメラセンサの位置調整に最適!】位置調整後に動かないステージです

・クランプレスの、位置調整後に動かないステージです。
・特殊機構により、バックラッシを防止しています。
・位置調整は、六角レンチを使用します。
 ※六角レンチは付属しておりません。お客様にてご用意ください。
・常に位置調整が必要なワークよりも、カメラやセンサなどの位置調整後に移動させたくないワークに最適です。
・回転中心高さが異なる1軸の傾斜ステージです。
・回転中心高さが異なる1軸の傾斜ステージを組み合わせ、同一回転中心として2軸の傾斜ステージにすることができます。
・水平設置だけではなく、垂直・逆さ方向の設置も可能です。

共通仕様

移動方向 傾斜1方向
ステージ高さ 20mm
クランプ方式 クランプレス
送り方式 送りねじP=0.7mm
移動量 ±3°
移動ガイド すり合わせ
耐荷重 24.5N(25kgf)
主要材質/表面処理 アルミ合金/黒アルマイト梨地
RoHS指令対応状況 RoHS指令適合品

詳細仕様

  • 4件中 1-4件

  • 表示件数

4件の型式

型式 ステージ面 回転中心
(ステージ上面より)
移動量
ツマミ1回転
質量
TS-4051FX 40mm×40mm 約33'25" 60mm 0.08kg
TS-4052FX 40mm×40mm 約46'16" 40mm 0.08kg
TS-6051FX 50mm×50mm 約33'25" 60mm 0.17kg
TS-6052FX 50mm×50mm 約46'16" 40mm 0.17kg

型式 商品コード 単位 価格
(円)
基準納期
日伝 メーカー
TS-4051FX TS-4051FX P 42,000 - 10日間
TS-4052FX TS-4052FX P 42,000 - 10日間
TS-6051FX TS-6051FX P 47,000 - 10日間
TS-6052FX TS-6052FX P 47,000 - 10日間

この製品を見た人はこのような製品も見ています

1952年設立で、動力伝導機器・産業機器・制御機器等の機械設備及び機械器具関連製品の販売をしている専門総合商社です。
日本国内で40以上の拠点を持ち、信頼性の高い製品と技術力で、全国のものづくりに携わる方々のあらゆるお困りごとを解決しています。

Loading...